SKFQJ304N2PHAS*轴承详细参数

发布时间:2026-05-30
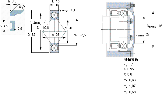
角接触球轴承, 四点接触球轴承
主要数据尺寸 基本负荷额定值 疲劳负荷限值 额定速度 体积 型号
动态 静态 参照速度 限制速度
d D B C C0 Pu * - SKF Explorer 轴承
mm kN kN r/min kg -
2052153221,60,9320000240000,16QJ 304 N2PHAS *

SKFQJ304N2PHAS*角接触球轴承供应商

八零动力专业销售QJ304N2PHAS*角接触球轴承,库存SKFQJ304N2PHAS*大量现货,与SKF合作,咨询热线:022-58519723业务咨询
SKFQJ304N2PHAS*它的每一次转动,都是对精准度的极致追求 卓越的性能表现,让这款轴承在市场上脱颖而出它的径向跳动控制,达到了行业顶尖水平 它在医疗设备中的应用,确保了设备的稳定性 是您机械世界里的不败功臣,每一次转动都是精准与力量的完美呈现,,八零动力SKF角接触球轴承品种全,价格优,质量有保证!

用户关注最多的SKF轴承型号

SKF22220CCK/W33 SKF23256CC/W33 SKF292/670 SKF32311BRJ2/QCL7C* SKF71903C/DB SKF71940C/DB SKFC5913V* SKFCR99386 SKFGEC530FBAS SKFKMFE28 SKFNU202ECPHA SKFNUP2220ECML* SKFPCM161820B SKFSC7017FB/P7 SKFSYE1.7/16NH-118

QJ304N2PHAS*角接触球轴承近似的SKF轴承型号

SKF7304BEGAP* SKF5304A-2Z* SKF7304BECBY SKF2x7304BECBPH* SKF7304BECBP SKF2x7304BECBM* SKF7304BEP SKF7304BEGBP* SKF3304A-2Z SKF5304A-2RS1* SKFQJ304N2MA* SKFQJ305MA

用户关注最多的轴承狗热门型号

KOYO  7302AC NTN  7303C/DB RHP  7002C/DT FAG  SNV215-L + 20320-K-MB-C3 + H320X307 + TSV620X307 LYC  1787/674G2 LYC  6308 E-2Z/P6Z3V1 LYC  131.45.2000.12/01 NTN  7334B SKF  NX10 TIMKEN  5577/5535 TIMKEN  HMV-180 NACHI  6900NSE BARDEN  71934C/DT FAG  20222-MB IKO  SB75A

版权所有©2009-2015 轴承狗zcgou.com ICP备案:津ICP备14004550号-13