SKFQJ248N2MA轴承详细参数

发布时间:2026-04-16
角接触球轴承, 四点接触球轴承
主要数据尺寸 基本负荷额定值 疲劳负荷限值 额定速度 体积 型号
动态 静态 参照速度 限制速度
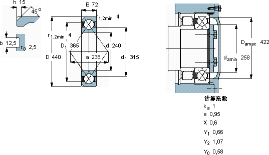
d D B C C0 Pu
mm kN kN r/min kg -
24044072650120027,51500240053,0QJ 248 N2MA

SKFQJ248N2MA角接触球轴承供应商

八零动力专业销售QJ248N2MA角接触球轴承,库存SKFQJ248N2MA大量现货,与SKF合作,咨询热线:022-58519723业务咨询
SKFQJ248N2MA卓越的设计理念,赋予了这款轴承超凡的性能它的精密设计,展现了人类智慧的巅峰 它在机床设备中的应用,确保了加工精度 没有轴承,现代机械将寸步难行,卓越的性能表现,让这款轴承在市场上脱颖而出它的设计巧妙,在保证性能的同时,还兼顾了安装的便捷性,八零动力SKF角接触球轴承品种全,价格优,质量有保证!

用户关注最多的SKF轴承型号

SKF331190 SKF4217ATN9 SKF6202-ZN SKFCR13596 SKFCR54X70X12CRSH13R SKFFY3/4TR SKFFYR1.1/2H-3 SKFIR7x10x12 SKFLM11749/710/Q SKFNA69/22 SKFNJ2218ECM* SKFPCMS1005001.5B SKFPWKRE62.2RS SKFSAF23024KAx4.1/4 SKFUE210

QJ248N2MA角接触球轴承近似的SKF轴承型号

SKFQJ1248MA/344524 SKF305248 SKFQJ248N2MA SKF7248BCBM SKF7248BCBM SKF7248C/DT SKF2x7248BCBM SKFQJ244 SKFQJ252N2MA

用户关注最多的轴承狗热门型号

SKF  IR130x150x50 SKF  CR38x56x8CRW1V FAG  BND3144-H-C-T-BL-S INA  KGNCS25-C-PP-AS SKF  NJ2322ECP KOYO  7332C MRC  7217C/DF TIMKEN  F-3172-C TIMKEN  EE435102/435165D/X2S-435102 KOYO  60/670 ZKL  30306 LYC  81140 M/P5 SNR  7309B/DT SKF  IR110x125x40 NACHI  1315

版权所有©2009-2015 轴承狗zcgou.com ICP备案:津ICP备14004550号-13