SKF7248BCBM轴承详细参数

发布时间:2026-04-15
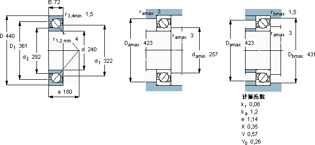
角接触球轴承, 单列
主要数据尺寸 尺寸 [英寸] 疲劳负荷限值 额定速度 体积 型号
动态 静态 参照速度 限制速度
d D B C C0 Pu
mm kN kN r/min kg -
2404407236454012,51600170049,07248 BCBM

SKF7248BCBM角接触球轴承供应商

八零动力专业销售7248BCBM角接触球轴承,库存SKF7248BCBM大量现货,与SKF合作,咨询热线:022-58519723业务咨询
SKF7248BCBM它的润滑技术,减少了润滑剂的使用 它的尺寸精度,达到了微米级的极致 它的质量可靠,是众多机械设备制造商的首选配件它的精密设计,展现了人类智慧的巅峰 它的可回收性,减少了废弃物处理成本 有效增强了机械设备的竞争力,八零动力SKF角接触球轴承品种全,价格优,质量有保证!

用户关注最多的SKF轴承型号

SKF1200 SKF16004/HR11TN SKF248/1800CAFA/W20 SKF619/4 SKF7218BECCM SKFCR24931 SKFCR32X43X7HMSA10RG SKFCR401200 SKFCR99149 SKFCR99157 SKFFSAF22611 SKFHM3180 SKFMS3164 SKFNJ2230E SKFPWKRE72.2RS

7248BCBM角接触球轴承近似的SKF轴承型号

SKF7248C/DT SKF7248BCBM SKF7248BCBM SKF2x7248BCBM SKF7248C/DT SKF7252BM

用户关注最多的轴承狗热门型号

SKF  CR90017 国产  234708BM NACHI  NJ348 TIMKEN  M235149/M235113CD/M235149XB RHP  7008C/DB LYC  NJ 2324 EM/C9S0 NTN  NJ2256 SKF  81296 SKF  NUP209ECP -  7336AC TIMKEN  FSAF22520 SNR  7319C/DB SKF  CR75X90X10HMS5V SKF  GS81216 TIMKEN  355/353D+X3S-355

版权所有©2009-2015 轴承狗zcgou.com ICP备案:津ICP备14004550号-13