SKFQJ222N2MA*轴承详细参数

发布时间:2026-05-30
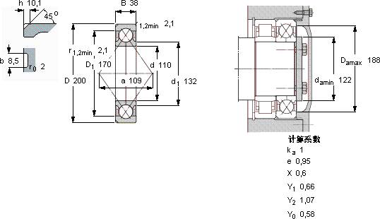
角接触球轴承, 四点接触球轴承
主要数据尺寸 基本负荷额定值 疲劳负荷限值 额定速度 体积 型号
动态 静态 参照速度 限制速度
d D B C C0 Pu * - SKF Explorer 轴承
mm kN kN r/min kg -
1102003828032511,2400056005,60QJ 222 N2MA *

SKFQJ222N2MA*角接触球轴承供应商

八零动力专业销售QJ222N2MA*角接触球轴承,库存SKFQJ222N2MA*大量现货,与SKF合作,咨询热线:022-58519723业务咨询
SKFQJ222N2MA*该轴承的性能卓越,完全满足了各种严苛工况的需求是您设备高效运转的可靠伙伴,制造工艺精湛,使得这款轴承的精度、稳定性和耐用性都非常出色以卓越品质是您值得信赖的工业伙伴,为您的机械保驾护航它的轻量化设计,减少了运输成本 ,八零动力SKF角接触球轴承品种全,价格优,质量有保证!

用户关注最多的SKF轴承型号

SKF305804C-2Z SKF71919CE/P4A SKF7311BECBJ SKF7314B/DB SKFBA1B307788 SKFBC1B322770A/HB1 SKFBT4B328817EX1/C475* SKFCR29X47X10CRSH11R SKFFSYE4.H-3 SKFK60x68x30ZW SKFNJ2308E+HJ2308E SKFRN-2x11.8BF/G2 SKFSNW20x3.1/2 SKFSYR1.7/16-18 SKFW619/6-2Z

QJ222N2MA*角接触球轴承近似的SKF轴承型号

SKF2x7222BECCM SKFQJ222 SKFQJ222N2MA SKF2x7222BECBY SKF2x7222BEGBF SKF7222BECCM SKF7222BEP SKF7222B SKF7222BECBY SKF7222AC/DT SKFQJ222N2MA SKFQJ224

用户关注最多的轴承狗热门型号

NSK  7320BWG LYC  66/19 E/Z1 LYC  30224 INA  PCJY60-N TIMKEN  67791/67720 NACHI  23044A2XW33 SKF  NJ2307ECP NACHI  SN630E SKF  PCM455040M LYC  787/2625 NTN  7238AC NTN  7019C/DB ASAHI  UCK209 KOYO  529X/522 IKO  CRH28VUUR

版权所有©2009-2015 轴承狗zcgou.com ICP备案:津ICP备14004550号-13