SKFQJ214MA*轴承详细参数

发布时间:2026-04-15
角接触球轴承, 四点接触球轴承
主要数据尺寸 基本负荷额定值 疲劳负荷限值 额定速度 体积 型号
动态 静态 参照速度 限制速度
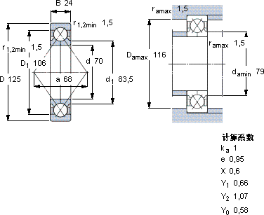
d D B C C0 Pu * - SKF Explorer 轴承
mm kN kN r/min kg -
70125241201225,2630090001,30QJ 214 MA *

SKFQJ214MA*角接触球轴承供应商

八零动力专业销售QJ214MA*角接触球轴承,库存SKFQJ214MA*大量现货,与SKF合作,咨询热线:022-58519723业务咨询
SKFQJ214MA*它的品质卓越,为机械设备的高效运行提供了坚实后盾轴承的耐用性强,减少了设备的停机维护时间它的稳定性,让它在各种环境下都能可靠工作 这轴承的质量过硬,经得起时间和高强度工作的考验为您创造更多可能,它的可靠性,赢得了无数用户的信赖 ,八零动力SKF角接触球轴承品种全,价格优,质量有保证!

用户关注最多的SKF轴承型号

SKF2x7313BECBF SKF351585B SKF6210N* SKF71804ACD/P4 SKF71916ACD/HCP4A SKF7309BECBM SKFCR50X72X12HMSA10V SKFCR524209 SKFHMV50E SKFNA6915 SKFNJ240ECMA* SKFNU2336ECMA SKFSYFL20TH SKFW623 SKFYET209

QJ214MA*角接触球轴承近似的SKF轴承型号

SKF3214A SKF7214BECBM SKF3214A-2Z/MT33 SKF2x7214BEGAP* SKF7214BECBY SKF5214A SKFQJ214 SKF7214BEGAP* SKF3214A-2Z SKF7214AC/DB SKFQJ214N2MA SKFQJ214N2MA*

用户关注最多的轴承狗热门型号

RIV  NU2317 FAG  SNV120-L + 22311-E1-K + H2311X200 + TSV611X200 FAFNIR  7209AC BARDEN  7016AC/DT RHP  6314-2RS SKF  NU2222ECP SKF  PCM040510E/VB055 SKF  NJ2317ECM* TORRINGTON  22322CC/W33 NACHI  21318EX1K SKF  6005-2ZNR NACHI  NU1007 SKF  FYR3H-3 SKF  W61802-2Z ZKL  7216B/DB

版权所有©2009-2015 轴承狗zcgou.com ICP备案:津ICP备14004550号-13