SKF7214BEP轴承详细参数

发布时间:2026-04-15
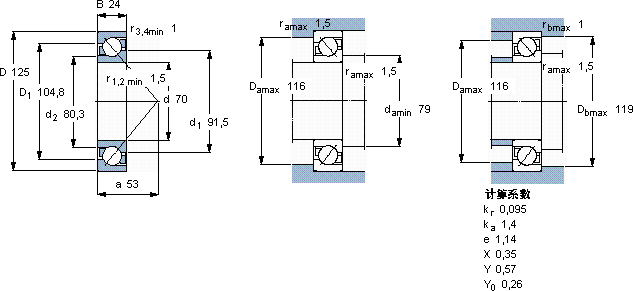
角接触球轴承, 单列
主要数据尺寸 尺寸 [英寸] 疲劳负荷限值 额定速度 体积 型号
动态 静态 参照速度 限制速度
d D B C C0 Pu
mm kN kN r/min kg -
701252471,5602,5600060001,107214 BEP

SKF7214BEP角接触球轴承供应商

八零动力专业销售7214BEP角接触球轴承,库存SKF7214BEP大量现货,与SKF合作,咨询热线:022-58519723业务咨询
SKF7214BEP它的疲劳强度,确保了长期使用的可靠性 它在风力发电中的应用,为清洁能源贡献力量 顺滑无声它的稳定性,让它在各种环境下都能可靠工作 轴承的耐用性强,减少了设备的停机维护时间它在航空航天领域的应用,展现了它的高可靠性 ,八零动力SKF角接触球轴承品种全,价格优,质量有保证!

用户关注最多的SKF轴承型号

SKF23138CCK/W33+H3138* SKF240/1000CAK30F/W33 SKF71828ACD/P4 SKFBC2B326894/HB1 SKFC4140K30V* SKFC71919DB/P7 SKFCR25X52X8HMSA10V SKFCR32X52X7HMSA10RG SKFCR380.01x430x19HDS2R SKFFNL513B SKFNUP2312E SKFOKCX710 SKFQJ228N2MA* SKFSAF23056KAx9.15/16 SKFSNL3072/13.7/16TURT

7214BEP角接触球轴承近似的SKF轴承型号

SKF7214B/DF SKF7214C SKF7214BECBP SKF7214BECBY SKF7214BEP SKF2x7214BECBJ SKF7214C/DT SKF7214BEP SKF7214AC SKF2x7214BECBM* SKF7214BEGAP* SKF7215AC

用户关注最多的轴承狗热门型号

NTN  63/32LLH FAG  BND3048-Z-T-AL-S STEYR  NJ219E SKF  UEL204 国产  6209-ZN LYC  24160 C/C4W33 FLT  NUP216 SKF  CR2050557 NACHI  51336 SKF  N038 SKF  26 SKF  312967E TORRINGTON  22236CC/W33 SKF  71911C/DF LYC  382968

版权所有©2009-2015 轴承狗zcgou.com ICP备案:津ICP备14004550号-13