SKFQJ214N2MA*轴承详细参数

发布时间:2026-04-14
角接触球轴承, 四点接触球轴承
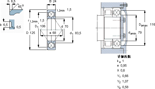
主要数据尺寸 基本负荷额定值 疲劳负荷限值 额定速度 体积 型号
动态 静态 参照速度 限制速度
d D B C C0 Pu * - SKF Explorer 轴承
mm kN kN r/min kg -
70125241201225,2630090001,30QJ 214 N2MA *

SKFQJ214N2MA*角接触球轴承供应商

八零动力专业销售QJ214N2MA*角接触球轴承,库存SKFQJ214N2MA*大量现货,与SKF合作,咨询热线:022-58519723业务咨询
SKFQJ214N2MA*优秀的设计理念和精湛的制造工艺,成就了这款杰出的轴承这款轴承的性能卓越,有效提升了设备的整体性能和可靠性质量无可比拟的轴承,在行业内树立了良好的品质标杆为您的工程保驾护航,它的密封性能,减少了润滑剂的泄漏 它在汽车工业中的应用,让车辆运行更加平稳 ,八零动力SKF角接触球轴承品种全,价格优,质量有保证!

用户关注最多的SKF轴承型号

SKF22380CA/W33 SKF23164CCK/W33* SKF7017ACD/HCP4A SKF71944CD/P4A SKF7236C/DT SKFCR13585 SKFCR2700558 SKFCR16362 SKFCR25745 SKFGE35TXG3E-2LS SKFNNU4930BK/SPW33 SKFNU2356MA SKFNUP218ECP* SKFPCM202315M SKFSIKB14F

QJ214N2MA*角接触球轴承近似的SKF轴承型号

SKF7214BECBM SKF5214A SKF7214C/DB SKFQJ214 SKF7214AC/DB SKF7214AC/DF SKF7214AC SKF5214E SKF2x7214BECBJ SKFQJ214MA SKFQJ214MA* SKFQJ214N2PHAS*

用户关注最多的轴承狗热门型号

KOYO  6036 KOYO  47T231612A INA  RUDS55-D INA  KGNO12-C-PP-AS FAG  SNV100-L + 22309-E1-K + H2309 + TSV609 SKF  51176F SKF  HMV106E LYC  B867712 KOYO  NU3230 LYC  23144 K/C4W33 NSK  54416 FLT  7308B NSK  65BNR20SV1V IKO  TRU355630UU IKO  CFE10-1BUUR

版权所有©2009-2015 轴承狗zcgou.com ICP备案:津ICP备14004550号-13