SKFQJ208N2MA*轴承详细参数

发布时间:2026-04-14
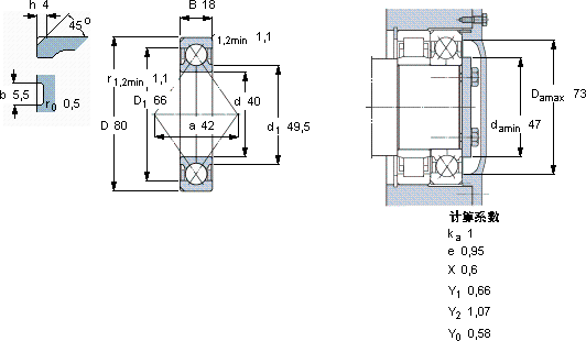
角接触球轴承, 四点接触球轴承
主要数据尺寸 基本负荷额定值 疲劳负荷限值 额定速度 体积 型号
动态 静态 参照速度 限制速度
d D B C C0 Pu * - SKF Explorer 轴承
mm kN kN r/min kg -
40801856492,0811000150000,45QJ 208 N2MA *

SKFQJ208N2MA*角接触球轴承供应商

八零动力专业销售QJ208N2MA*角接触球轴承,库存SKFQJ208N2MA*大量现货,与SKF合作,咨询热线:022-58519723业务咨询
SKFQJ208N2MA*先进的制造工艺,让这款轴承的性能更加稳定可靠它的每一次转动,都是对效率的极致追求 先进的制造技术和严格的质量控制,造就了这款优质轴承它在化工设备中的应用,展现了它的耐腐蚀性 它的精密测量技术,确保了每一件产品的品质 它的精密装配,确保了整体性能的卓越 ,八零动力SKF角接触球轴承品种全,价格优,质量有保证!

用户关注最多的SKF轴承型号

SKF23122CCK/W33+H3122* SKF30240J2/DFC570 SKF30308J2/Q SKF331291B SKF6208/HR11QN SKF7000ACD/HCP4A SKFCR140X180X12HMSA10V SKFCR330x390x25HDS1R SKFFSYE3.11/16H-3 SKFH2307 SKFH320 SKFNNC4880CV SKFP80R-35TF SKFPL88 SKFSYE2.-3

QJ208N2MA*角接触球轴承近似的SKF轴承型号

SKF7208BECBM* SKF7208B/DF SKF7208BECBM SKF7208AC/DB SKF7208AC/DT SKF2x7208BEGAM* SKF7208BECBJ SKF3208A-2ZTN9/MT33* SKF5208E-2Z SKF7208BEY SKFQJ208MA* SKFQJ209

用户关注最多的轴承狗热门型号

SKF  GS81138 LYC  81114 SKF  81106TN STEYR  51310 LYC  NN 3010 K/P5 TORRINGTON FAFNIR  3202A LYC  GEEW60ES FAG  BND3148-H-C-Y-AL-S MRC  NJ413 TIMKEN  006-11581A SKF  W6305-2RS1 LYC  7019 ACM NSK  6217VV LYC  RU 178 G/P5 IKO  LRB222620

版权所有©2009-2015 轴承狗zcgou.com ICP备案:津ICP备14004550号-13