SKFQJ208MA*轴承详细参数

发布时间:2026-04-15
角接触球轴承, 四点接触球轴承
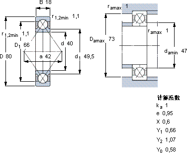
主要数据尺寸 基本负荷额定值 疲劳负荷限值 额定速度 体积 型号
动态 静态 参照速度 限制速度
d D B C C0 Pu * - SKF Explorer 轴承
mm kN kN r/min kg -
40801856492,0811000150000,45QJ 208 MA *

SKFQJ208MA*角接触球轴承供应商

八零动力专业销售QJ208MA*角接触球轴承,库存SKFQJ208MA*大量现货,与SKF合作,咨询热线:022-58519723业务咨询
SKFQJ208MA*轴承的耐用性极佳,为设备的长期稳定运行提供了保障品质卓越这款轴承的性能卓越,有效提高了设备的运行可靠性卓越的性能表现,使这款轴承在市场上拥有良好的口碑畅享稳定顺滑的旋转之旅,为您的机械注入强大动力,,八零动力SKF角接触球轴承品种全,价格优,质量有保证!

用户关注最多的SKF轴承型号

SKF6316-2Z/VA208 SKF7306BEP SKFCR524370 SKFFYRP2-3 SKFMS3184-80 SKFNU309ECJ* SKFNUP315ECP SKFOKC180 SKFP1.11/16RM SKFPCMF353916E SKFPWM9010580 SKFQJ1252N2MA SKFQJ216MA SKFSAL35ES-2RS SKFSR13/16FM

QJ208MA*角接触球轴承近似的SKF轴承型号

SKF7208C/DF SKF7208B/DT SKF7208B/DB SKFQJ208MA* SKF7208AC SKF7208BEM SKFQJ208N2MA* SKF7208C/DT SKF7208BECBP* SKF7208BEGAM* SKFQJ208N2MA SKFQJ208N2MA*

用户关注最多的轴承狗热门型号

SKF  305703C-2Z SNR  3304A-RS STEYR  7206B/DB KOYO  6212ZZ NTN  6403 LYC  6205 X2TN1/C4 INA  RAE40-NPP-B KOYO  23128CCK/W33 NSK  7214BDT FYH  UKFLU306+H2306 LYC  6802 ZZ SKF  HMV98E NSK  HR30332J NACHI  5214Z KOYO  NU208

版权所有©2009-2015 轴承狗zcgou.com ICP备案:津ICP备14004550号-13