SKF7208BEP轴承详细参数

发布时间:2026-05-30
角接触球轴承, 单列
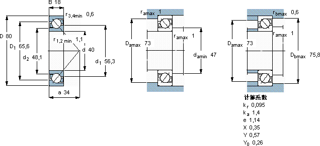
主要数据尺寸 尺寸 [英寸] 疲劳负荷限值 额定速度 体积 型号
动态 静态 参照速度 限制速度
d D B C C0 Pu
mm kN kN r/min kg -
40801834,5241,0210000100000,377208 BEP

SKF7208BEP角接触球轴承供应商

八零动力专业销售7208BEP角接触球轴承,库存SKF7208BEP大量现货,与SKF合作,咨询热线:022-58519723业务咨询
SKF7208BEP高品质的轴承,在各种复杂环境下都能稳定发挥作用旋转不息转动世界的精密之选,优秀的设计和卓越的性能,让这款轴承备受青睐优秀的设计让这款轴承在运行时更加高效节能它的质量卓越,为机械设备的安全运行保驾护航,八零动力SKF角接触球轴承品种全,价格优,质量有保证!

用户关注最多的SKF轴承型号

SKF33116TN9/Q SKF51138M SKF6201-2ZN SKFCR3621 SKFCR4911 SKFCR527820 SKFCR960x1040x23HDS2R1 SKFFYT1.3/4RM SKFHK2530.2RS SKFNU2240ECMA SKFPCM250255100E SKFPF15FM SKFQJ305MA* SKFSY2.3/4TF/AH SKFW638/5-2Z

7208BEP角接触球轴承近似的SKF轴承型号

SKF7208BEY SKF7208AC/DB SKF7208BECBP* SKF7208BECBP SKF7208BECBJ SKF2x7208BEGAM* SKF2x7208BECBP* SKF2x7208BECBJ SKF7208BECBY SKF7208BECBM SKF7208BEM SKF7208BEY

用户关注最多的轴承狗热门型号

KOYO  32208 NSK  7214ADF SKF  6221N SKF  FYJ60TF SKF  39581/39528/Q MAC  NU1011 FAG  SNV052-L + 20205-K-TVP-C3 + H205X013 + FSV505 SKF  CR38x62x8CRW1V INA  GE50-FW-2RS SKF  N2326 STEYR  54204U FAG  SNV130-L + 2215-K-TVH-C3 + H315 + DH515 INA  GE45-FW-2RS NTN  6322-2Z SKF  K14x18x15TN

版权所有©2009-2015 轴承狗zcgou.com ICP备案:津ICP备14004550号-13