SKFQJ203N2MA*轴承详细参数

发布时间:2026-04-14
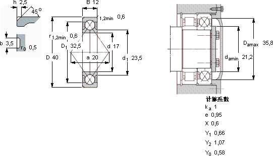
角接触球轴承, 四点接触球轴承
主要数据尺寸 基本负荷额定值 疲劳负荷限值 额定速度 体积 型号
动态 静态 参照速度 限制速度
d D B C C0 Pu * - SKF Explorer 轴承
mm kN kN r/min kg -
17401215,910,60,4819000300000,082QJ 203 N2MA *

SKFQJ203N2MA*角接触球轴承供应商

八零动力专业销售QJ203N2MA*角接触球轴承,库存SKFQJ203N2MA*大量现货,与SKF合作,咨询热线:022-58519723业务咨询
SKFQJ203N2MA*是您设备高效运转的可靠伙伴,它的润滑技术,让摩擦降至最低 它的尺寸精度,达到了微米级的极致 是您机械世界里的不败功臣,高精度的轴承,为设备的稳定运行提供了坚实保障它的多样化应用,展现了它的无限可能 ,八零动力SKF角接触球轴承品种全,价格优,质量有保证!

用户关注最多的SKF轴承型号

SKF230/1000CAF/W33 SKF230/670CA/W33 SKF6207-2RS1* SKF6309-RS1* SKF6311-2Z* SKF71915CE/P4A SKF71922ACD/P4A SKFCR25970 SKFKRV62PPA SKFNK9/12TN SKFNU20/710ECMA SKFSAF22518 SKFSNL505 SKFSY50TF/VA201 SKFYHC208-104-2LS8W/VT357

QJ203N2MA*角接触球轴承近似的SKF轴承型号

SKF5203A-2RS1TN9 SKF3203A-RS SKF7203C SKF2x7203BECBM* SKF7203B/DT SKFQJ203N2MA SKF7203BECBM SKF7203B/DF SKF7203AC SKF3203A-2ZTN9/MT33 SKFQJ203N2MA SKFQJ205

用户关注最多的轴承狗热门型号

KOYO  23228CC/W33 SKF  7321BECAM INA  RWS1808-350/x350/x310 INA  GE25-KRR-B-FA164 MAC  NU1011 NTN  7220B/DB FAG  HCS7006-E-T-P4S RHP  7320B/DF SKF  21312EK+H312* NSK  7005A5TYNDBLP4 INA  SL045060-PP LYC  FCD 76100300 /HC/C4 TIMKEN  K20X26X13H FAG  NU307-E-TVP2 SKF  61801-2RZ

版权所有©2009-2015 轴承狗zcgou.com ICP备案:津ICP备14004550号-13