
SKFPF1.3/16WF轴承详细参数
发布时间:2026-04-14
| | | | | | | | | | | | |
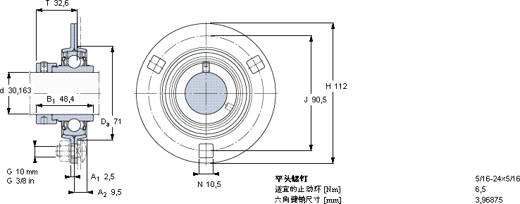
| Y-型轴承带法兰单元, 冲压钢轴承座,偏心锁定轴环 |
 |
| 尺寸 | 基本负荷额定值 | 可允许住 | 质量 | 轴承单元 | 定购代号 |
| | 动态 | 静态 | 房装载 | 轴承 | | 轴承座 | 轴承 |
| d | Da | H | J | T | C | C0 | 径向 | 单元 | | | |
 |
| mm | kN | kN | kg | - |
 |
| 30,163 | 71 | 112 | 90,5 | 32,6 | 19,5 | 11,2 | 5 | 0,65 | PF 1.3/16 WF | PF 62 | YEL 206-103-2F |
SKFPF1.3/16WFY-轴承法兰单元供应商
- 八零动力专业销售PF1.3/16WFY-轴承法兰单元,库存SKFPF1.3/16WF大量现货,与SKF合作,咨询热线:022-58519723

- SKFPF1.3/16WF精湛的制造工艺赋予了这款轴承出色的性能和可靠性它的稳定性,让它在各种环境下都能可靠工作 从制造工艺到实际性能,这款轴承都表现得十分出色,轴承的耐用性强,减少了设备的停机维护时间先进的生产工艺,让这款轴承的性能得到了极大提升是您设备高效运转的可靠伙伴,,八零动力SKFY-轴承法兰单元品种全,价格优,质量有保证!
用户关注最多的SKF轴承型号
SKF2302E-2RS1TN9
SKF319028
SKF7012CE/HCP4A
SKF7319BEM
SKFBTW35CTN9/SP
SKFC5918V*
SKFCR28305
SKFFYC30WF
SKFNCF3038CV
SKFNK90/35
SKFNNU4926BK/SPW33
SKFNU226ECML*
SKFNU232ECM
SKFSNL3256
SKFSY2.3/16RM