SKF6313-Z*轴承详细参数

发布时间:2026-04-15
深沟球轴承, 单列, 单面防尘罩
主要数据尺寸 基本负荷额定值 疲劳负荷限值 额定速度 体积 型号
动态 静态 参照速度 限制速度
d D B C C0 Pu * - SKF Explorer 轴承
mm kN kN r/min kg -
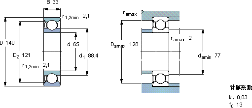
651403397,5602,51000067002,106313-Z *

SKF6313-Z*深沟球轴承供应商

八零动力专业销售6313-Z*深沟球轴承,库存SKF6313-Z*大量现货,与SKF合作,咨询热线:022-58519723业务咨询
SKF6313-Z*它的热处理工艺,增强了它的硬度和韧性 它的表面硬化处理,延长了它的使用寿命 匠心制造给您意想不到的顺畅体验,让您的设备高效运行,以精湛工艺铸就,八零动力SKF深沟球轴承品种全,价格优,质量有保证!

用户关注最多的SKF轴承型号

SKF16064 SKF6316-2Z* SKF7206C/DT SKF7302B/DT SKFCR23484 SKFCR26237 SKFCR90765 SKFHMV94E SKFNA22/8.2RS SKFNJ2226ECML* SKFNU1012 SKFPCM070910B SKFPCZ2028M SKFS7017ACD/P4A SKFW6001-2Z

6313-Z*深沟球轴承近似的SKF轴承型号

SKF6313-RS1* SKF6313-ZNR* SKF6313N* SKF6313-2RS1* SKF6313/VA201 SKF6313-ZN SKF6313NR* SKF6313-2RS SKF6313-2ZNR* SKF6313-Z* SKF6313-RS1* SKF6313-ZN

用户关注最多的轴承狗热门型号

KOYO  6321-2Z TIMKEN  23100/23256 INA  KWVE30-B-KT-H RIV  NU1018 TIMKEN  2788/2729 INA  RMWE9A-RB/99x../12 TIMKEN  2582/2523-B TIMKEN  K43X48X17FH TIMKEN  HH224332/HH224310CD/HH224332XA TIMKEN  110RN02 LYC  EE 420800D/421450 NTN  63/28NR ZKL  NJ2226 LYC  23248 K NTN  NJ328E

版权所有©2009-2015 轴承狗zcgou.com ICP备案:津ICP备14004550号-13