SKFFY1.11/16TF轴承详细参数

发布时间:2026-05-30
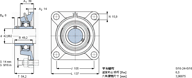
Y-型轴承带法兰单元, 方形铸造轴承座,平头螺钉锁定, 英制轴承
尺寸 基本负荷额定值 限制速度 质量 型号
动态 静态 轴承单元 轴承座 轴承
d A1 J L T C C0带轴公差h6
mm kN r/min kg -
42,8623910513754,233,221,643002,16FY 1.11/16 TFFY 509 UYAR 209-111-2F

SKFFY1.11/16TFY-轴承法兰单元供应商

八零动力专业销售FY1.11/16TFY-轴承法兰单元,库存SKFFY1.11/16TF大量现货,与SKF合作,咨询热线:022-58519723业务咨询
SKFFY1.11/16TF设计合理、性能优良的它,是机械设备实现高效运行的重要保障它的可靠性,赢得了无数工程师的信任 它的精密装配,确保了整体性能的卓越 它的耐高温性能,让它在极端环境下依然稳定运行 品质永相随它的模块化设计,让安装和更换变得轻松便捷 ,八零动力SKFY-轴承法兰单元品种全,价格优,质量有保证!

用户关注最多的SKF轴承型号

SKF30313J2/Q SKF316899A SKF61812-2RZ SKF618/670MA SKF6300-2RSL* SKF7003ACD/HCP4A SKF7236B SKFBC1B322416/HA1 SKFBS2-8001 SKFCR38x55x8CRW1V SKFCR38X60X10HMS5V SKFCR40X65X10HMS5V SKFHA2324 SKFIR85x100x63 SKFSY2.1/4WF

FY1.11/16TFY-轴承法兰单元近似的SKF轴承型号

SKFPF1.11/16TF SKFFYTM1.11/16TF SKFFYT1.11/16TF/AH SKFFYT1.11/16TF SKFFYM1.11/16TF/AH SKFFYT1.11/16FM SKFFYTM1.11/16TF/AH SKFFYT1.11/16RM SKFPF1.11/16RM SKFFY1.11/16TF SKFFY1.11/16RM SKFFY1.11/16TF/AH

用户关注最多的轴承狗热门型号

SKF  BS2B321598 SNR  1301 SKF  SNL3052TURT SKF  2x718/530AGMB SKF  CR65X88X12HMS5V 国产  UE210 NTN  6014-RS TIMKEN  155RIJ640 SKF  32211 SKF  511/850F RHP  NF215 TIMKEN  6280 /6220-B NACHI  6904-2NKE LYC  6015 E IKO  LWETG25.../U

版权所有©2009-2015 轴承狗zcgou.com ICP备案:津ICP备14004550号-13