
SKFPF1.1/16FM轴承详细参数
发布时间:2026-05-29
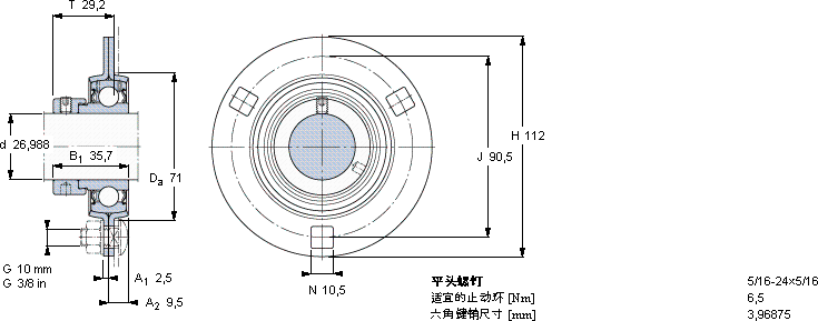
| | | | | | | | | | | | |
| Y-型轴承带法兰单元, 冲压钢轴承座,偏心锁定轴环 |
 |
| 尺寸 | 基本负荷额定值 | 可允许住 | 质量 | 轴承单元 | 定购代号 |
| | 动态 | 静态 | 房装载 | 轴承 | | 轴承座 | 轴承 |
| d | Da | H | J | T | C | C0 | 径向 | 单元 | | | |
 |
| mm | kN | kN | kg | - |
 |
| 26,988 | 71 | 112 | 90,5 | 29,2 | 19,5 | 11,2 | 5 | 0,64 | PF 1.1/16 FM | PF 62 | YET 206-101 |
SKFPF1.1/16FMY-轴承法兰单元供应商
- 八零动力专业销售PF1.1/16FMY-轴承法兰单元,库存SKFPF1.1/16FM大量现货,与SKF合作,咨询热线:022-58519723

- SKFPF1.1/16FM它的耐高温性能,让它在极端环境下依然稳定运行 从制造工艺到实际性能,这款轴承都表现得十分出色,这轴承的质量过硬,经得起时间和高强度工作的考验它的精密性,让它在高精度设备中无可替代 没有轴承,现代机械将寸步难行,高品质的轴承,在各种复杂工况下都能展现出卓越的性能表现,八零动力SKFY-轴承法兰单元品种全,价格优,质量有保证!
用户关注最多的SKF轴承型号
SKF241/670ECA/W33
SKF315175A
SKF71938CD/P4A
SKFBT4B331077AG/HA1
SKFBTM85A/HCP4CDBB
SKFCR30X55X7HMS5RG
SKFH3132E
SKFKMFE9
SKFNN3009KTN/SP
SKFNU1996KMA
SKFNU2208ECJ*
SKFPCZ4432B
SKFPFT30TR
SKFSNL3052
SKFYAR209-2RF