SKFPF1.3/16FM轴承详细参数

发布时间:2026-04-15
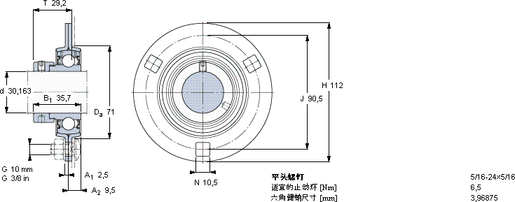
Y-型轴承带法兰单元, 冲压钢轴承座,偏心锁定轴环
尺寸 基本负荷额定值 可允许住质量 轴承单元 定购代号
动态 静态 房装载轴承 轴承座 轴承
d Da H J T C C0径向单元
mm kN kN kg -
30,1637111290,529,219,511,250,61PF 1.3/16 FMPF 62YET 206-103

SKFPF1.3/16FMY-轴承法兰单元供应商

八零动力专业销售PF1.3/16FMY-轴承法兰单元,库存SKFPF1.3/16FM大量现货,与SKF合作,咨询热线:022-58519723业务咨询
SKFPF1.3/16FM它的密封性能,完美抵御灰尘和杂质的侵袭 设计合理、性能优良的它,是机械设备实现高效运行的重要保障承载重载历经岁月出色的性能表现,让这款轴承成为行业内的明星产品,它在农业机械中的应用,展现了它的耐用性 这款轴承的运转十分平稳,几乎感受不到任何震动,八零动力SKFY-轴承法兰单元品种全,价格优,质量有保证!

用户关注最多的SKF轴承型号

SKF16068MA SKF6212NR* SKF71911CE/HCP4A SKF7219BECBP* SKFBT4B332934/HA1 SKFCR37327 SKFCR57509 SKFCR97526 SKFGEP200FS SKFNJ2340ECMA SKFNJ328ECM* SKFNNCF4964CV SKFNU30/1120K/VA901 SKFPCZ4032M SKFSYL20TR/VE495

PF1.3/16FMY-轴承法兰单元近似的SKF轴承型号

SKFFY15/16WF SKFFY15/16RM SKFFYM1.15/16TF SKFFY1.5/16TF SKFPF15/16FM SKFFYT1.11/16FM SKFFY1.15/16TF/AH SKFPFT13/16TF SKFPF1.7/16ARM SKFFY1.15/16WF SKFPF1.1/8WF SKFPF1.3/16RM

用户关注最多的轴承狗热门型号

NSK  52430X NSK  7901A5DF SNR  7201AC/DF TIMKEN  HH221447/HH221410D+HH221447XC INA  PAP1615-P14 SKF  P40TR SKF  CR65x85x8CRW1V NACHI  22328EW33K NTN  NN4936K SKF  P1.1/4FM TIMKEN  78250/78549D/X1S-78250 KOYO  7221AC TIMKEN  GY1008KRRB TORRINGTON FAFNIR  3310A IKO  LRX35

版权所有©2009-2015 轴承狗zcgou.com ICP备案:津ICP备14004550号-13