SKFOH3284H轴承详细参数

发布时间:2026-05-30
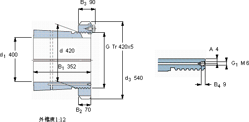
紧定套
尺寸 体积 型号
紧定轴套带螺母 锁定螺母 锁定装置 适宜的液压
d1 d d3 B1 G 和锁紧装置螺母
mm kg -
400420540352Tr 420x596,0OH 3284 HHM 3184MS 3184-80HMV 84 E

SKFOH3284H轴承附件供应商

八零动力专业销售OH3284H轴承附件,库存SKFOH3284H大量现货,与SKF合作,咨询热线:022-58519723业务咨询
SKFOH3284H品质卓越的它,为机械设备的稳定、高效运行提供了支持运转起来如此顺滑,这款轴承的制造工艺着实令人赞叹从制造工艺到实际性能,这款轴承都表现得十分出色,制造工艺精湛,使得这款轴承的精度、稳定性和耐用性都非常出色它的耐腐蚀性,让它经久不衰 机械的心脏,八零动力SKF轴承附件品种全,价格优,质量有保证!

用户关注最多的SKF轴承型号

SKF230/1060CAKF/W33 SKF29476EM SKF33012 SKF2x7210BEGAP* SKF51152 SKF6315-2RS1* SKF709CD/HCP4A SKFC30/750MB* SKFCR25102 SKFCR542726 SKFGE17ES SKFNF3084ECMB SKFNJ424+HJ424 SKFNU2320ECP* SKFUCP209

OH3284H轴承附件近似的SKF轴承型号

SKFSNP3284x15.3/4 SKFAOH3284G SKFOH3284H SKFOH3280H SKFOH3944H

用户关注最多的轴承狗热门型号

SKF  61826-RS TIMKEN  KM06 NTN  61811-RZ TIMKEN  HH953749/HH953710D/HH953749XA SKF  CR100X130X12HMSA10RG NSK  N1020MRKR EASE  LB81524 SKF  NU1024M FAG  2315-M NSK  7910A5DT INA  ZKLN3572-2Z NACHI  7012CDB TIMKEN  22205CJ 国产  3208ANRTN1 IKO  NAS5020UUNR

版权所有©2009-2015 轴承狗zcgou.com ICP备案:津ICP备14004550号-13