SKFOH3160H轴承详细参数

发布时间:2026-05-30
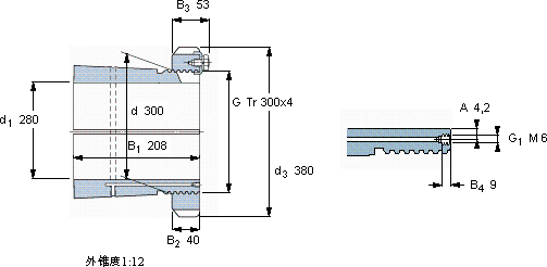
紧定套
尺寸 体积 型号
紧定轴套带螺母 锁定螺母 锁定装置 适宜的液压
d1 d d3 B1 G 和锁紧装置螺母
mm kg -
280300380208Tr 300x429,0OH 3160 HHM 3160MS 3160HMV 60 E

SKFOH3160H轴承附件供应商

八零动力专业销售OH3160H轴承附件,库存SKFOH3160H大量现货,与SKF合作,咨询热线:022-58519723业务咨询
SKFOH3160H坚固的结构稳定的性能它的加工精度,确保了机械运转的稳定性 它的润滑技术,减少了摩擦和磨损 高品质的轴承,在各种复杂环境下都能稳定发挥作用它的抗冲击能力,让它经久不衰 它的高效率,减少了能源消耗 ,八零动力SKF轴承附件品种全,价格优,质量有保证!

用户关注最多的SKF轴承型号

SKF21320EK* SKF23072CC/W33 SKF24072CC/W33* SKF61926 SKF7048ACD/P4A SKFBC2B320118 SKFBT4B332502/HA1 SKFCR22X42X10HMS5RG SKFFYT50TF/VA228 SKFGEH110TXG3A-2LS SKFMS3092-88 SKFNNCF5022CV SKFNNU4122K30M/W33 SKFNNU4984/W33 SKFOKCX220

OH3160H轴承附件近似的SKF轴承型号

SKFHM3160 SKFOH3160H SKFMS3160 SKFSNP3160x10.15/16 SKFAOH3160G SKFOH3156HTL SKFOH3164H

用户关注最多的轴承狗热门型号

SNR  3203A-RS TORRINGTON  22213CC/W33 SKF  CR3250574 SKF  7015AC/DF TIMKEN  313K FAG  20217-K-MB-C3 + H217 SKF  NA4830 LYC  GX85-3411003 RHP  7312B/DT 国产  N2306M NTN  6310-ZN SKF  IR12x15x12 STEYR  NJ220 FAG  BND2218-Z-T-AF-S TIMKEN  300RJ92

版权所有©2009-2015 轴承狗zcgou.com ICP备案:津ICP备14004550号-13