SKFOH3164H轴承详细参数

发布时间:2026-05-30
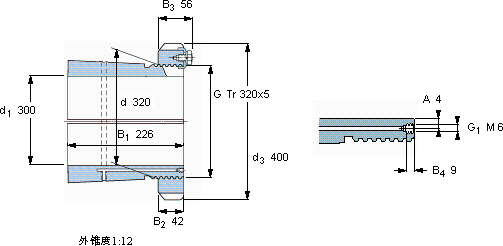
紧定套
尺寸 体积 型号
紧定轴套带螺母 锁定螺母 锁定装置 适宜的液压
d1 d d3 B1 G 和锁紧装置螺母
mm kg -
300320400226Tr 320x532,0OH 3164 HHM 3164MS 3164HMV 64 E

SKFOH3164H轴承附件供应商

八零动力专业销售OH3164H轴承附件,库存SKFOH3164H大量现货,与SKF合作,咨询热线:022-58519723业务咨询
SKFOH3164H其设计和制造都达到了极高的水准,是一款不可多得的轴承它的设计巧妙,在保证性能的同时,还兼顾了安装的便捷性它的润滑技术,减少了润滑剂的使用 出色的性能表现,让这款轴承成为行业内的明星产品,引领行业速度,我们的轴承始终稳如磐石运转起来如此顺滑,这款轴承的制造工艺着实令人赞叹,八零动力SKF轴承附件品种全,价格优,质量有保证!

用户关注最多的SKF轴承型号

SKF23168CACK/W33+H3168 SKF24092ECA/W33 SKF71932ACD/P4A SKF7244B/DT SKF81113TN SKFCR21234 SKFCR595643 SKFCR60X110X8HMS5RG SKFCR87530 SKFNJ328ECML* SKFOKF460 SKFP80R-35TF SKFPCM10010560M SKFSAF22522X3.7/8 SKFZ210

OH3164H轴承附件近似的SKF轴承型号

SKFSNP3164x11.15/16 SKFHM3164 SKFAOH3164G SKFMS3164 SKFSNP3164x12 SKFOH3164H SKFOH3160H SKFOH3168H

用户关注最多的轴承狗热门型号

SKF  SNW3132x5.7/16 TORRINGTON&FAFNIR  6308-RS NTN  24026CK30 FAG  B7213-C-T-P4S SKF  Z303F SKF  7000AC/DF SKF  21314EK+AH314G* TIMKEN  53177/53376D INA  KUVE15-B-S KOYO  7030AC/DB SKF  SYF25FM SKF  C4138V* SKF  NUP226ECML* INA  ZGB45X53X40 Stieber  AS55

版权所有©2009-2015 轴承狗zcgou.com ICP备案:津ICP备14004550号-13