SKFNUP320ECJ*轴承详细参数

发布时间:2026-04-14
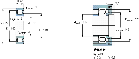
圆柱滚子轴承, 单列, NUP 设计
主要数据尺寸 基本负荷额定值 疲劳负荷限值 额定速度 体积 型号 适宜的斜挡圈
动态 静态 参照速度 限制速度 型号
d D B C C0 Pu * - SKF Explorer 轴承
mm kN kN r/min kg - -
1002154745044051320038008,00NUP 320 ECJ *-

SKFNUP320ECJ*圆柱滚子轴承供应商

八零动力专业销售NUP320ECJ*圆柱滚子轴承,库存SKFNUP320ECJ*大量现货,与SKF合作,咨询热线:022-58519723业务咨询
SKFNUP320ECJ*轴承的稳定性和可靠性表现出色,赢得了用户的高度认可质量无可比拟的轴承,在行业内树立了良好的品质标杆它的多样化应用,展现了它的无限可能 它的可回收性,体现了环保理念 它的质量过硬,为机械设备的高效、安全运行提供了保障先进的制造工艺,让这款轴承的性能更加稳定可靠,八零动力SKF圆柱滚子轴承品种全,价格优,质量有保证!

用户关注最多的SKF轴承型号

SKF239/670CA/W33* SKF2x7315BECBM* SKF30210J2/Q SKF312-Z SKFCR100X120X10HMS5RG SKFCR17x30x7CRW1R SKFCR24320 SKFCR400x450x20HDS2R SKFCR46X65X10HMS5RG SKFFYJ75TF SKFGAC45F SKFH313C SKFNJ29/710ECMA SKFUCFU216 SKFYAR209-111-2F/AH

NUP320ECJ*圆柱滚子轴承近似的SKF轴承型号

SKFNU2320ECN1ML* SKFBC2B320996 SKFNN49/1320KFB/W33 SKFN320ECM* SKFNUP320E SKFNJ2320ECM* SKFBC2B320117/HA4 SKFBCSB320861 SKFNJ320ECML* SKFNUP2320ECP SKFNUP320ECJ SKFNUP320ECML*

用户关注最多的轴承狗热门型号

LYC  FC 6496350/C3YB2/02 SKF  NUP328ECM LYC  NU 1052 M/P5 TIMKEN  HM212047/HM212010 KOYO  22238CCK/W33 RHP  6211-RS 国产  29464 INA  LFR5302-10-2Z KOYO  NU216R SKF  CR20x32x7CRW1R KOYO  R16/13 LYC  NN 3032 K/P4W33 FAG  F512-A-L + 1212-K-TVH-C3 INA  RNA4826 IKO  IRB2616

版权所有©2009-2015 轴承狗zcgou.com ICP备案:津ICP备14004550号-13