SKFBCSB320099轴承详细参数

发布时间:2026-05-30
圆柱滚子轴承, 剖分式单列
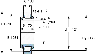
主要数据尺寸 基本负荷额定值 疲劳负荷限值 径向内部游隙 体积 型号
动态 静态
d D B C C C0 Pu 最小 最大
mm kN kN mm kg -
10001220170100270064004050,430,55345BCSB 320099

SKFBCSB320099圆柱滚子轴承供应商

八零动力专业销售BCSB320099圆柱滚子轴承,库存SKFBCSB320099大量现货,与SKF合作,咨询热线:022-58519723业务咨询
SKFBCSB320099制造工艺精湛,使得这款轴承在运转时更加顺畅平稳坚固的结构稳定的性能轴承的选材精良,确保了其具有良好的耐磨性和抗腐蚀性它的抗拉强度,让它经得起各种考验 先进的生产工艺,打造出了这款性能卓越的轴承它的耐用性,赢得了无数用户的信赖 ,八零动力SKF圆柱滚子轴承品种全,价格优,质量有保证!

用户关注最多的SKF轴承型号

SKF29420E* SKF2x7212BEGAP* SKF61808 SKF619/9 SKF634 SKF71809CD/P4A SKFCR1700245 SKFGEM17ES-2RS SKFN1010KPHA/SP SKFNJ2307E+HJ2307E SKFNKI75/25 SKFNU1030ML SKFNU2205E SKFQJ218N2MA* SKFSY1.1/8RM

BCSB320099圆柱滚子轴承近似的SKF轴承型号

SKFBCSB320099 SKFBCSB316586 SKFBCSB320240

用户关注最多的轴承狗热门型号

ZKL  NU238 SKF  C3028K+AHX3028* TIMKEN  GC1015KRRB NTN  23264BK+H3264 NACHI  6807N TIMKEN  GRA014RRB LYC  6208E/C2 国产  NATR15X SKF  CR38X62X10HMS5RG SKF  30214J2/Q LYC  6034 E KOYO  NJ219E+HJ219E SKF  IR12x16x22 TIMKEN  8125/08231D/X6S-08125 IKO  BAM1710

版权所有©2009-2015 轴承狗zcgou.com ICP备案:津ICP备14004550号-13