SKFNUP244ECMA*轴承详细参数

发布时间:2026-04-14
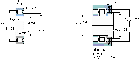
圆柱滚子轴承, 单列, NUP 设计
主要数据尺寸 基本负荷额定值 疲劳负荷限值 额定速度 体积 型号 适宜的斜挡圈
动态 静态 参照速度 限制速度 型号
d D B C C0 Pu * - SKF Explorer 轴承
mm kN kN r/min kg - -
22040065106012901251600240038,5NUP 244 ECMA *-

SKFNUP244ECMA*圆柱滚子轴承供应商

八零动力专业销售NUP244ECMA*圆柱滚子轴承,库存SKFNUP244ECMA*大量现货,与SKF合作,咨询热线:022-58519723业务咨询
SKFNUP244ECMA*高品质的轴承,在各种复杂工况下都能展现出卓越的性能表现这轴承的质量过硬,经得起时间和高强度工作的考验高精度的轴承,为设备的稳定运行提供了坚实保障它的轴向游隙控制,精准到令人惊叹 它的质量可靠,是众多机械设备制造商的首选配件让您的机械如虎添翼,,八零动力SKF圆柱滚子轴承品种全,价格优,质量有保证!

用户关注最多的SKF轴承型号

SKF23948CC/W33 SKF305288DA SKF6222* SKF71821ACD/HCP4 SKFAHX2322/100G SKFCR12325 SKFCR38646 SKFCR430x479.98x22HDS1V SKFCR82521 SKFHA2320x3.5/16 SKFNKIA5903 SKFPFT13/16WF SKFPWKR90.2RS SKFRNA4903 SKFUC205

NUP244ECMA*圆柱滚子轴承近似的SKF轴承型号

SKFNCF2244V SKFNUP244ECMA SKFBCRB322442 SKFNJ244ECMA SKFNU244ECM* SKFNU2244ECMA SKFNJ244 SKFNJ244ECM* SKFNCF2244V SKFNU244ECMA SKFNUP244ECM* SKFNUP248MA

用户关注最多的轴承狗热门型号

LYC  LY-Q023 INA  SL185005 FAG  SNV090-L + 1308-K-TVH-C3 + H308 + DHV608 FAG  30240-A KOYO  60/32ZZ TIMKEN  HM746646/HM746610CD STEYR  NJ2332 NSK  52314 LYC  22312 C FAG  SNV090-L + 20210-K-TVP-C3 + H210X112 + TCV510 NTN  NUP2216 SKF  C2226K* TIMKEN  T1115 INA  KB40-PP KOYO  24084R

版权所有©2009-2015 轴承狗zcgou.com ICP备案:津ICP备14004550号-13