SKFNUP228ECM*轴承详细参数

发布时间:2026-04-14
圆柱滚子轴承, 单列, NUP 设计
主要数据尺寸 基本负荷额定值 疲劳负荷限值 额定速度 体积 型号 适宜的斜挡圈
动态 静态 参照速度 限制速度 型号
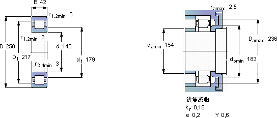
d D B C C0 Pu * - SKF Explorer 轴承
mm kN kN r/min kg - -
1402504245051057280032008,90NUP 228 ECM *-

SKFNUP228ECM*圆柱滚子轴承供应商

八零动力专业销售NUP228ECM*圆柱滚子轴承,库存SKFNUP228ECM*大量现货,与SKF合作,咨询热线:022-58519723业务咨询
SKFNUP228ECM*其质量上乘,是众多机械设备不可或缺的优质配件质量无可挑剔的轴承,为设备的高效运作提供了有力支持它的沟槽设计,完美匹配滚动体的运动轨迹 打造出了性能卓越的这款轴承,该轴承的精度控制达到了极致它的精密制造工艺,让人叹为观止 稳定旋转的核心力量,八零动力SKF圆柱滚子轴承品种全,价格优,质量有保证!

用户关注最多的SKF轴承型号

SKF210-2ZNR SKF51116 SKF51192F SKF619/1600MB SKF71800CD/P4A SKFBT4B332502/HA1 SKFC2207KV* SKFCR43X72X10CRSH11R SKFCR50X90X10HMS5RG SKFMB21 SKFOKBS83 SKFPFT30WF SKFQJ1260N2MA SKFRLS7-2RS1 SKFSAL45TXE-2LS

NUP228ECM*圆柱滚子轴承近似的SKF轴承型号

SKFNU2228ECML SKFNUP2228ECML* SKFNU228ECM* SKFNJ2228E+HJ2228E SKFNU228ECJ* SKFNUP2228ECML SKFBCRB322853 SKFNUP228ECJ* SKFNU228ECM SKFNJ228E+HJ228E SKFNUP228ECJ* SKFNUP228ECML*

用户关注最多的轴承狗热门型号

NSK  7008CTYNSULP4 NSK  F694ZZ SKF  WS89434 NSK  NUP320EM INA  NKX30 NTN  32319 SNR  7215AC/DT 国产  NK125/20 STEYR  N415 FAG  SNV062-L + 1305-K-TVH-C3 + H305X012 + TSV605X012 LYC  FD-8787/1716K1 NSK  HR30306C NSK  10BGR10S FAG  AH2338G-H IKO  KT253020

版权所有©2009-2015 轴承狗zcgou.com ICP备案:津ICP备14004550号-13