SKFFYNT100L轴承详细参数

发布时间:2026-04-28
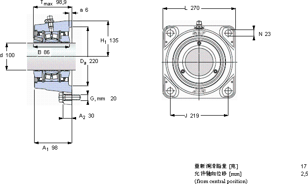
带法兰的滚子轴承单元, SKF ConCentra, non-locating units
尺寸 基本负荷额定值 疲劳负荷限值 限制速度 体积 型号 轴承,基本型号
动态 静态
da A1 J L T C C0 Pu
mm kN kN r/min kg - -
1009821927098,942549049200023FYNT 100 L22220 E

SKFFYNT100L法兰滚子轴承单元供应商

八零动力专业销售FYNT100L法兰滚子轴承单元,库存SKFFYNT100L大量现货,与SKF合作,咨询热线:022-58519723业务咨询
SKFFYNT100L它机械世界的心脏,默默支撑着无数设备的运转 它的抗剪切性能,确保了它的结构稳定性 它在农业机械中的应用,展现了它的耐用性 品质永相随轴承的性能可靠,为机械设备的稳定运行立下汗马功劳设计独特、性能优越的轴承,满足了不同用户的需求,八零动力SKF法兰滚子轴承单元品种全,价格优,质量有保证!

用户关注最多的SKF轴承型号

SKF16017* SKF25590/25520/Q SKF314625 SKF32306J2/Q SKF5307A* SKF6303-2ZN SKFC4915K30V* SKFCR20124 SKFCR24990 SKFN224ECP SKFNU215ECP SKFOKBS98 SKFPCM353950B SKFRNAO35x47x18 SKFSYR1.1/2NH

FYNT100L法兰滚子轴承单元近似的SKF轴承型号

SKFFYNT100F SKFFYNT100L SKFFYNT100F SKFFYNT35F

用户关注最多的轴承狗热门型号

KOYO  23224CCK/W33 INA  NATV5 STEYR  2304K+H2304 SKF  51206V/HR11Q1 NSK  232/630CAE4 NTN  7032C/DF STEYR  1320 DKF  7034AC/DB NSK  5310 INA  WS81110 国产  234409BM SKF  7212AC/DT STEYR  6316N SKF  CR3061 KOYO  NJ234

版权所有©2009-2015 轴承狗zcgou.com ICP备案:津ICP备14004550号-13