SKFNUP2224ECP*轴承详细参数

发布时间:2026-04-15
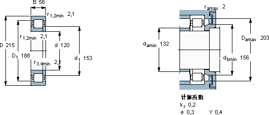
圆柱滚子轴承, 单列, NUP 设计
主要数据尺寸 基本负荷额定值 疲劳负荷限值 额定速度 体积 型号 适宜的斜挡圈
动态 静态 参照速度 限制速度 型号
d D B C C0 Pu * - SKF Explorer 轴承
mm kN kN r/min kg - -
1202155852063072340036009,00NUP 2224 ECP *-

SKFNUP2224ECP*圆柱滚子轴承供应商

八零动力专业销售NUP2224ECP*圆柱滚子轴承,库存SKFNUP2224ECP*大量现货,与SKF合作,咨询热线:022-58519723业务咨询
SKFNUP2224ECP*它在食品机械中的应用,展现了它的卫生性能 让工作更高效,它在化工设备中的应用,展现了它的耐腐蚀性 它的耐用性,让人惊叹不已 它的模块化设计,让安装和更换变得轻松便捷 它在包装机械中的应用,确保了设备的高效率 ,八零动力SKF圆柱滚子轴承品种全,价格优,质量有保证!

用户关注最多的SKF轴承型号

SKF22356CCK/W33* SKF53314 SKF7015CD/P4A SKFAOH24184 SKFCR1000360 SKFCR11172 SKFCR19709 SKFCR1375240 SKFCR552.45x628.65x38.1HDSE1VV SKFCR560x610x20HDS1V SKFFSAF22216 SKFFY50TF/VA228 SKFNU2203ECP SKFPCZ3640B SKFSNL3272L

NUP2224ECP*圆柱滚子轴承近似的SKF轴承型号

SKFNUP2224ECML* SKFNU2224ECKML* SKFNU2224E SKFNU2224ECNML* SKFNJ2224E+HJ2224E SKFNUP2224ECP SKFNJ2224ECM* SKFNUP2224ECJ* SKFNUP2224ECP* SKFNU2224ECJ* SKFNUP2224ECML* SKFNUP2226E

用户关注最多的轴承狗热门型号

SKF  NNC4856CV INA  IR6X9X16 NSK  HR32056XJ NACHI  NUP424 GMN  7212AC/DB NACHI  51310 LYC  AK 32310 NACHI  E33117J SKF  RLS7-2Z SKF  N1009KPHA/HC5SP SKF  22214CCK/W33+H314 LYC  6330 E LYC  LY-N025 NTN  7015C/DT IKO  YT2428

版权所有©2009-2015 轴承狗zcgou.com ICP备案:津ICP备14004550号-13