SKF23052-2CS5/VT143*轴承详细参数

发布时间:2026-04-30
球面滚子轴承, 圆柱和圆锥孔, 圆柱型内孔, 两面密封件
主要数据尺寸 基本负荷额定值 疲劳负荷限值 额定速度 体积 型号
动态 静态 参照速度 限制速度
d D B C C0 Pu * - SKF Explorer 轴承
mm kN kN r/min kg -
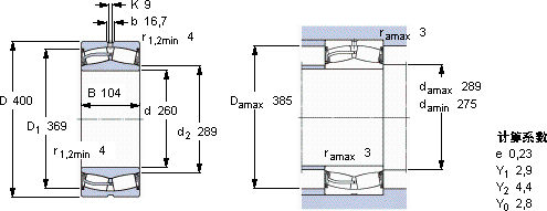
26040010416002550212-36048,523052-2CS5/VT143 *

SKF23052-2CS5/VT143*球面滚子轴承供应商

八零动力专业销售23052-2CS5/VT143*球面滚子轴承,库存SKF23052-2CS5/VT143*大量现货,与SKF合作,咨询热线:022-58519723业务咨询
SKF23052-2CS5/VT143*设计独特的轴承,不仅性能优越,还具有很高的性价比它的轻量化设计,减少了运输成本 它的抗剪切性能,确保了它的结构稳定性 轴承的选材精良,确保了其具有良好的耐磨性和抗腐蚀性它的抗冲击性能,让它经得起各种考验 它在风力发电中的应用,为清洁能源贡献力量 ,八零动力SKF球面滚子轴承品种全,价格优,质量有保证!

用户关注最多的SKF轴承型号

SKF1208ETN9/W64 SKF53201 SKF6313-2Z/VA208 SKF6417 SKF7016C SKF7018C/DT SKF7215BECBP SKFCR12384 SKFCR15298 SKFCR401801 SKFCR910x966x17.86HS6R SKFHA2334 SKFNJ2248MA SKFNJ2317E+HJ2317E SKFNK95/26

23052-2CS5/VT143*球面滚子轴承近似的SKF轴承型号

SKF23052CCK/W33+OH3052H* SKF23052CCK/W33+AOH3052* SKF23052CC/W33* SKF23052-2CS5/VT143* SKF23052CCK/W33* SKF23052-2CS5K/VT143* SKF23052-2CS5K/VT143* SKF23052CACK/33+H3052

用户关注最多的轴承狗热门型号

INA  GIL70-DO-2RS NACHI  21317AX LYC  NU 316 EM/C3 SKF  2x7215BECBJ STEYR  NJ2320E SKF  SYR2.3/16H TIMKEN  250RU03 KOYO  51407 TIMKEN  FSAF22516 SKF  71904C/DB NACHI  SN217C SKF  3315A-2Z/MT33* SKF  29464 ASAHI  UC211 IKO  LWU40

版权所有©2009-2015 轴承狗zcgou.com ICP备案:津ICP备14004550号-13