SKFNUP2212ECML*轴承详细参数

发布时间:2026-05-30
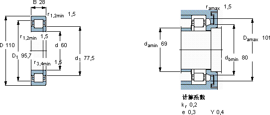
圆柱滚子轴承, 单列, NUP 设计
主要数据尺寸 基本负荷额定值 疲劳负荷限值 额定速度 体积 型号 适宜的斜挡圈
动态 静态 参照速度 限制速度 型号
d D B C C0 Pu * - SKF Explorer 轴承
mm kN kN r/min kg - -
6011028146153206700110001,15NUP 2212 ECML *-

SKFNUP2212ECML*圆柱滚子轴承供应商

八零动力专业销售NUP2212ECML*圆柱滚子轴承,库存SKFNUP2212ECML*大量现货,与SKF合作,咨询热线:022-58519723业务咨询
SKFNUP2212ECML*它的可回收性,体现了环保理念 制造工艺精湛,使得这款轴承的精度和稳定性都非常出色它的轻量化设计,减少了材料的使用 精密与耐用的完美结合,不得不说,这款轴承的品质过硬,在行业内堪称典范,让您的设备高效运行,,八零动力SKF圆柱滚子轴承品种全,价格优,质量有保证!

用户关注最多的SKF轴承型号

SKF2209K+H309 SKF544091/2B/544118A/2B SKF6209-2Z/VA208 SKF7318BEM SKFBS2-2212-2CS/VT143* SKFBVNB328753/HA1 SKFCR15742 SKFCR2050557 SKFCR53x68x8CRW1V SKFCR7X22X7HMS5RG SKFCR86468 SKFNNU4984BK/SPW33 SKFPWM8090100 SKFT4EB240/VE174 SKFW6201-2Z

NUP2212ECML*圆柱滚子轴承近似的SKF轴承型号

SKFNUP2212ECP* SKFNU2212ECP SKFNJ2212ECP* SKFNJ2212ECML* SKFNJ2212ECJ* SKFNJ2212ECP SKFNJ2212E SKFNU2212ECP* SKFN2212 SKFNUP2212ECM* SKFNUP2212ECM* SKFNUP2212ECP*

用户关注最多的轴承狗热门型号

SNR  6313-Z MRC  7208AC/DB BARDEN  7221AC/DB SKF  SAFC2616 KOYO  NU2314R FLT  NJ428 LYC  22207 C/W33 FAG  BND3048-H-W-T-BL-S KOYO  47T13608746 NACHI  N414 SKF  H305 RIV  NU206 LYC  130.40.1250.03 TIMKEN  46790D/46720+Y5S-46720 SKF  N28/1400ECMP

版权所有©2009-2015 轴承狗zcgou.com ICP备案:津ICP备14004550号-13