SKFNUP2212ECP*轴承详细参数

发布时间:2026-05-29
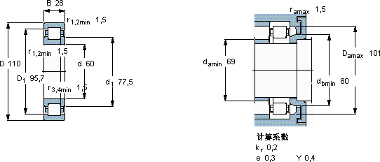
圆柱滚子轴承, 单列, NUP 设计
主要数据尺寸 基本负荷额定值 疲劳负荷限值 额定速度 体积 型号 适宜的斜挡圈
动态 静态 参照速度 限制速度 型号
d D B C C0 Pu * - SKF Explorer 轴承
mm kN kN r/min kg - -
601102814615320670075001,15NUP 2212 ECP *-

SKFNUP2212ECP*圆柱滚子轴承供应商

八零动力专业销售NUP2212ECP*圆柱滚子轴承,库存SKFNUP2212ECP*大量现货,与SKF合作,咨询热线:022-58519723业务咨询
SKFNUP2212ECP*承载重托它的每一次转动,都是对效率的极致追求 它的几何精度,让机械运转分毫不差 它的轴向游隙控制,精准到令人惊叹 高品质的轴承,在各种复杂环境下都能稳定发挥作用优秀的设计让这款轴承在运行时更加高效节能,八零动力SKF圆柱滚子轴承品种全,价格优,质量有保证!

用户关注最多的SKF轴承型号

SKF22334CCJA/W33VA405 SKF2x7317BECBY SKF31306J2/QDF SKF32322 SKF61900-2RS1 SKFCR405002 SKFCR570x610x20HDS1R SKFCR66X90X13CRSH1R SKFFSYE3.7/16-18 SKFFYRP3H-3 SKFHE313E SKFNNU4064KM/W33 SKFPCMW386201.5B SKFPCZ2216B SKFPF1.3/16RM

NUP2212ECP*圆柱滚子轴承近似的SKF轴承型号

SKFNJ2212ECP SKFNUP2212ECM* SKFNUP2212ECML* SKFNJ2212ECML* SKFNUP2212ECJ* SKFNJ2212ECJ* SKFNJ2212E SKFNJ2212ECP* SKFNJ2212E+HJ2212E SKFNU2212ECML* SKFNUP2212ECML* SKFNUP2213E

用户关注最多的轴承狗热门型号

MRC  7220B/DT NTN  NUP1064 INA  K15X21X21 ZKL  30212 国产  3208ANTN1 KOYO  53222U SKF  P3/4TR TIMKEN  T402 LYC  30222 SKF  NK70/25 ASK  NU1036 NACHI  190KBD031 RIV  NJ418 FAG  SNV290-L + 20232-K-MB-C3 + H3032X507 + TCV532X507 SKF  NJ2248MA

版权所有©2009-2015 轴承狗zcgou.com ICP备案:津ICP备14004550号-13