SKFNUP217ECP*轴承详细参数

发布时间:2026-05-30
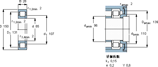
圆柱滚子轴承, 单列, NUP 设计
主要数据尺寸 基本负荷额定值 疲劳负荷限值 额定速度 体积 型号 适宜的斜挡圈
动态 静态 参照速度 限制速度 型号
d D B C C0 Pu * - SKF Explorer 轴承
mm kN kN r/min kg - -
851502819020024,5480053002,00NUP 217 ECP *-

SKFNUP217ECP*圆柱滚子轴承供应商

八零动力专业销售NUP217ECP*圆柱滚子轴承,库存SKFNUP217ECP*大量现货,与SKF合作,咨询热线:022-58519723业务咨询
SKFNUP217ECP*转动不停歇为您的机械提供持久动力,这款轴承的运转十分平稳,几乎感受不到任何震动它的品质卓越,是提升机械设备整体性能的关键所在设计独特的轴承,不仅性能优越,还具有很高的性价比它机械世界的心脏,默默支撑着无数设备的运转 ,八零动力SKF圆柱滚子轴承品种全,价格优,质量有保证!

用户关注最多的SKF轴承型号

SKF51407 SKF6307-2ZN SKF71902C/DB SKF7314B SKF7322BECBP SKFBS2-2215-2CSK/VT143* SKFC3084KM+AOH3084G* SKFC7011DB/P7 SKFCR1050239 SKFCR72X95X10HMSA10RG SKFCR99080 SKFCRMVR1-55 SKFCR99188 SKFOKBS65 SKFPCMS1005001.0B

NUP217ECP*圆柱滚子轴承近似的SKF轴承型号

SKFNUP217E SKFNJ2217E+HJ2217E SKFNU2217ECM* SKFNJ2217ECP* SKFBC2B322217/VJ202 SKFN217ECP* SKFNUP217ECJ* SKFN217ECM* SKFNU217ECJ* SKFNJ217E+HJ217E SKFNUP217ECML* SKFNUP218E

用户关注最多的轴承狗热门型号

FAG  ZRB15X16-QP LYC  6207 E/P63 NACHI  7009DB TIMKEN  36KT SKF  CR45X75X10HMS5RG SKF  N076 RHP  7315B SKF  SYE2.7/16H-3 TORRINGTON&FAFNIR  7214C TIMKEN  27SFH48-TT NTN  6214-2Z KOYO  NJ304E+HJ304E NSK  CM-UCF214-212D1 SKF  NJ308ECML* SKF  SAKB12F

版权所有©2009-2015 轴承狗zcgou.com ICP备案:津ICP备14004550号-13