SKFN217ECP*轴承详细参数

发布时间:2026-04-15
圆柱滚子轴承, 单列, N 设计
主要数据尺寸 基本负荷额定值 疲劳负荷限值 额定速度 体积 型号 适宜的斜挡圈
动态 静态 参照速度 限制速度 型号
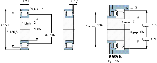
d D B C C0 Pu * - SKF Explorer 轴承
mm kN kN r/min kg - -
851502819020024,5480053001,90N 217 ECP *-

SKFN217ECP*圆柱滚子轴承供应商

八零动力专业销售N217ECP*圆柱滚子轴承,库存SKFN217ECP*大量现货,与SKF合作,咨询热线:022-58519723业务咨询
SKFN217ECP*精湛的制造工艺赋予了这款轴承卓越的性能和品质 它在冶金设备中的应用,确保了设备的高温性能 为您的工程保驾护航,它的轻量化设计,减少了运输成本 它的抗冲击能力,让它经久不衰 它的高效率,让机械运转更加节能 ,八零动力SKF圆柱滚子轴承品种全,价格优,质量有保证!

用户关注最多的SKF轴承型号

SKF16072MA SKF21311CC SKF230/750CA/W33 SKF511/500F SKF6409N SKF7213AC/DT SKFCR135X170X12HMSA10RG SKFCR60X72X8HMS5RG SKFK20x26x17 SKFNKXR25Z SKFNUP2314ECML* SKFNUP320ECJ* SKFQJ314 SKFS71917CD/P4A SKFSNW28x4.13/16

N217ECP*圆柱滚子轴承近似的SKF轴承型号

SKFNU217ECP SKFNJ2217E+HJ2217E SKFNJ2217ECJ* SKFNJ2217E SKFNJ217ECP* SKFNJ2217ECP* SKFNU2217ECML* SKFNJ217ECJ* SKFNUP2217ECML* SKFNJ217E+HJ217E SKFN217ECM* SKFN218E

用户关注最多的轴承狗热门型号

FAG  SD3176-H-TS-BL-L + 23176-K-MB 国产  6306-ZNR SKF  7201CD/HCP4A NSK  7224BG SKF  CR9838 TIMKEN  L570649/L570610 NSK  6922N MRC  7322C/DT KOYO  62/28 LYC  23260 CAK/W33 FLT  NU2215 SKF  KMK19 FAG  SD3172-H-TS-BL-L + 231SM340-MA KOYO  7202C/DT IKO  NAS5088UU

版权所有©2009-2015 轴承狗zcgou.com ICP备案:津ICP备14004550号-13