SKFNUP216ECML*轴承详细参数

发布时间:2026-05-30
圆柱滚子轴承, 单列, NUP 设计
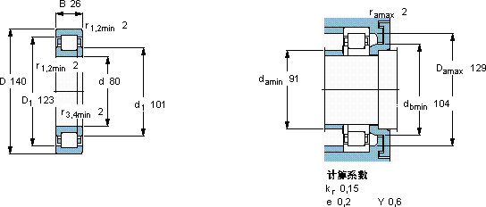
主要数据尺寸 基本负荷额定值 疲劳负荷限值 额定速度 体积 型号 适宜的斜挡圈
动态 静态 参照速度 限制速度 型号
d D B C C0 Pu * - SKF Explorer 轴承
mm kN kN r/min kg - -
801402616016621,2530085001,65NUP 216 ECML *-

SKFNUP216ECML*圆柱滚子轴承供应商

八零动力专业销售NUP216ECML*圆柱滚子轴承,库存SKFNUP216ECML*大量现货,与SKF合作,咨询热线:022-58519723业务咨询
SKFNUP216ECML*高精度的制造工艺,让这款轴承的性能更加出色这款轴承的稳定性极佳,在长时间运行中也能保持良好状态优秀的设计让这款轴承在运行时更加高效节能高精度低摩擦为您的机械注入强大动力,铸就卓越品质,,八零动力SKF圆柱滚子轴承品种全,价格优,质量有保证!

用户关注最多的SKF轴承型号

SKF51204V/HR11T1 SKF6211-2ZN SKF87750/87111 SKFBT4B334099/HA4 SKFBVNB328607/HA1 SKFCR20X37X7CRW1V SKFCR32X42X7HMS5V SKFCR87054 SKFHM88542/2/510/2/QCL7C SKFNCF28/1000V SKFPCM182025M SKFPCM252850E SKFPCMF151709E SKFRPNA45/62 SKFSILKB6F

NUP216ECML*圆柱滚子轴承近似的SKF轴承型号

SKFNJ216E SKFNJ2216E SKFNU216E SKFN216ECP SKFNJ2216E+HJ2216E SKFN216E SKFNJ2216ECM* SKFNU2216ECM* SKFNJ216ECP* SKFNJ216E+HJ216E SKFNUP216ECP SKFNUP216ECP*

用户关注最多的轴承狗热门型号

AET  NU330 NACHI  54318U 国产  6204-Z/Z2 INA  GE120-KRR-B KOYO  3210A-Z 国产  RNA4911 FAG  SNV052-L + 22205-E1-K + H305 + FSV505 SKF  22238CCK/W33 国产  7020C SKF  CR11200 SKF  30224J2/DF LYC  132.50.3550.11 INA  KXO20 SKF  YEL207-107-2FCW 国产  NF208

版权所有©2009-2015 轴承狗zcgou.com ICP备案:津ICP备14004550号-13