SKFNUP216ECP*轴承详细参数

发布时间:2026-05-30
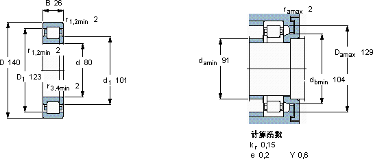
圆柱滚子轴承, 单列, NUP 设计
主要数据尺寸 基本负荷额定值 疲劳负荷限值 额定速度 体积 型号 适宜的斜挡圈
动态 静态 参照速度 限制速度 型号
d D B C C0 Pu * - SKF Explorer 轴承
mm kN kN r/min kg - -
801402616016621,2530056001,65NUP 216 ECP *-

SKFNUP216ECP*圆柱滚子轴承供应商

八零动力专业销售NUP216ECP*圆柱滚子轴承,库存SKFNUP216ECP*大量现货,与SKF合作,咨询热线:022-58519723业务咨询
SKFNUP216ECP*其设计和制造工艺都达到了国际先进水平,是一款优质轴承轴承的耐用性超乎想象,有效降低了设备的维护成本这款轴承的运转十分平稳,几乎感受不到任何震动坚固耐用它的密封性能,减少了润滑剂的泄漏 它的每一次转动,都是对效率的极致追求 ,八零动力SKF圆柱滚子轴承品种全,价格优,质量有保证!

用户关注最多的SKF轴承型号

SKF22236CCK/W33+H3136 SKF231/560CAK/W33* SKF6303-RSL* SKF7211BECBP SKF7213BEP SKFAMS24ABP SKFBEAM020068-2Z SKFCR35X55X7HMS5RG SKFCR50x70x8CRW1V SKFEE2TN9 SKFNATR25 SKFNJ1030ML SKFPFD40FM SKFSY2.11/16TF/AH SKFW6003-2Z

NUP216ECP*圆柱滚子轴承近似的SKF轴承型号

SKFNJ216ECML* SKFNJ2216ECM* SKFNUP2216ECML* SKFNJ216ECP* SKFNJ2216ECML* SKFNUP2216ECM* SKFNJ216E SKFBC2B322216 SKFNUP2216ECP* SKFNUP216ECP SKFNUP216ECML* SKFNUP217E

用户关注最多的轴承狗热门型号

NACHI  6301ZZE SKF  2201E-2RS1TN9 国产  NKX40 LYC  6205 E-2RS/Z2 KOYO  45226 SKF  LM742747A/710 TIMKEN  160RN02 MRC  7218AC/DT BARDEN  71918C LYC  23148 CA/W33 SKF  NU1014ML FAG  BND3024-Z-Y-AF-S KINGON  695ZZ NSK  7206CDT SNR  6000-2Z

版权所有©2009-2015 轴承狗zcgou.com ICP备案:津ICP备14004550号-13