SKFNUP212ECP*轴承详细参数

发布时间:2026-04-14
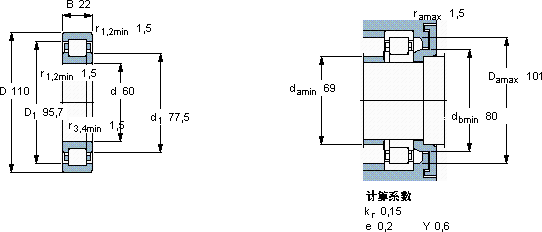
圆柱滚子轴承, 单列, NUP 设计
主要数据尺寸 基本负荷额定值 疲劳负荷限值 额定速度 体积 型号 适宜的斜挡圈
动态 静态 参照速度 限制速度 型号
d D B C C0 Pu * - SKF Explorer 轴承
mm kN kN r/min kg - -
601102210810213,4670075000,86NUP 212 ECP *-

SKFNUP212ECP*圆柱滚子轴承供应商

八零动力专业销售NUP212ECP*圆柱滚子轴承,库存SKFNUP212ECP*大量现货,与SKF合作,咨询热线:022-58519723业务咨询
SKFNUP212ECP*旋转无忧设计独特、性能优越的轴承,满足了不同用户的需求它的轻量化设计,减少了材料的使用 这轴承的制造工艺精湛,展现出了极高的工业水准轴承的稳定性和可靠性表现出色,赢得了用户的高度认可轴承的选材优质,确保了其在各种环境下都能稳定工作,八零动力SKF圆柱滚子轴承品种全,价格优,质量有保证!

用户关注最多的SKF轴承型号

SKF22332CCK/W33+AH2332G* SKF23276CAC/W33 SKF241/1000ECAK30F/W33+AOH241/1000 SKF6202-RSH* SKF71803CD/P4A SKFC3040* SKFCR150X180X15HMSA10RG SKFCR35x64x8CRW1R SKFCR400854 SKFCR49998 SKFGE17ES-2RS SKFFYRP2H SKFGEC710FBAS SKFN306ECP* SKFNJ213ECP

NUP212ECP*圆柱滚子轴承近似的SKF轴承型号

SKFN212E SKFN212ECM* SKFNUP212ECP* SKFBC4B322216B/HA3VJ212 SKFNJ212ECP SKFNU2212ECM* SKFNJ2212E+HJ2212E SKFNJ2212ECP* SKFNUP2212E SKFNU2212E SKFNUP212ECML* SKFNUP213E

用户关注最多的轴承狗热门型号

LYC  33210/P5 FAG  2211-2RS-TVH KOYO  61830 SNR  7017AC SKF  CR50X70X10HMS5RG SKF  6222-Z LYC  31084 X2/P6 SNR  6308-2Z FYH  UKFLU322+H2322 SKF  SC7006DB/P7 国产  NU072M DKF  7218B/DB MRC  71921C/DT IKO  GBR405228 IKO  TAFI557225

版权所有©2009-2015 轴承狗zcgou.com ICP备案:津ICP备14004550号-13