SKFNUP212ECM*轴承详细参数

发布时间:2026-04-14
圆柱滚子轴承, 单列, NUP 设计
主要数据尺寸 基本负荷额定值 疲劳负荷限值 额定速度 体积 型号 适宜的斜挡圈
动态 静态 参照速度 限制速度 型号
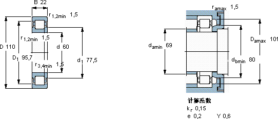
d D B C C0 Pu * - SKF Explorer 轴承
mm kN kN r/min kg - -
601102210810213,4670075000,86NUP 212 ECM *-

SKFNUP212ECM*圆柱滚子轴承供应商

八零动力专业销售NUP212ECM*圆柱滚子轴承,库存SKFNUP212ECM*大量现货,与SKF合作,咨询热线:022-58519723业务咨询
SKFNUP212ECM*它的圆度误差几乎可以忽略不计 设计合理、性能优良的它,是机械设备实现高效运行的重要保障先进的制造技术和严格的质量控制,造就了这款优质轴承先进的生产工艺,让这款轴承的性能得到了极大提升优秀的轴承,就像精密仪器的心脏,确保着整个系统的高效运转它的抗氧化性能,延长了它的使用寿命 ,八零动力SKF圆柱滚子轴承品种全,价格优,质量有保证!

用户关注最多的SKF轴承型号

SKF24013CC/W33 SKF3206A* SKF5309E SKF7218AC/DB SKF7226BM SKFCR20428 SKFCR24986 SKFCR30x42x7CRW1R SKFCR6765 SKFFSNL528 SKFK6x10x13TN SKFNJ209ECJ* SKFNN3022TN9/SP SKFPF1.1/8TF SKFYAR216-2F

NUP212ECM*圆柱滚子轴承近似的SKF轴承型号

SKFNJ212ECM* SKFN212ECP SKFNUP2212ECM* SKFNU212ECP SKFNJ2212E SKFNU212ECM* SKFNU2212E SKFNJ2212E+HJ2212E SKFNUP2212ECP* SKFNJ212ECP* SKFNUP212ECJ* SKFNUP212ECML*

用户关注最多的轴承狗热门型号

NACHI  NU205 NACHI  7220DF FAG  SNV180-L + 22317-E1 + DHV317 国产  608-2RS FAG  BND2226-Z-T-BL-S FAG  2201-2RS-TVH RHP  7226B NTN  7036AC/DT TIMKEN  22316CJ KOYO  23040R NACHI  240/670EW33K30 MAC  N409 INA  RCJ20-N-FA125 SKF  314484D IKO  NAS5030UUNR

版权所有©2009-2015 轴承狗zcgou.com ICP备案:津ICP备14004550号-13