SKFKMT36轴承详细参数

发布时间:2026-04-19
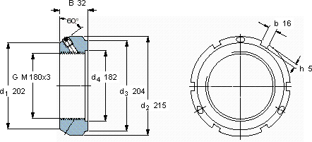
带锁紧销的KMT精密锁紧定螺母
螺纹尺寸 尺寸 轴向负荷 体积 型号 平头螺钉
承载能力 锁定螺母 适宜的板手 尺寸 推荐的紧固扭矩
d3 B G 静态
- mm - kN kg --- Nm
18020432M 180x312202,30KMT 36TMFN 30-40M 1035

SKFKMT36轴承附件供应商

八零动力专业销售KMT36轴承附件,库存SKFKMT36大量现货,与SKF合作,咨询热线:022-58519723业务咨询
SKFKMT36它的可靠性,赢得了无数用户的信赖 它在包装机械中的应用,确保了设备的高效率 这款轴承的稳定性极佳,在长时间运行中也能保持良好状态它的可回收性,减少了废弃物处理成本 运转起来如此顺滑,这款轴承的制造工艺着实令人赞叹优秀的设计让这款轴承在运行时更加高效节能,八零动力SKF轴承附件品种全,价格优,质量有保证!

用户关注最多的SKF轴承型号

SKF2216K+H316 SKF22240-2CS5K/VT143* SKF23226CC/W33* SKF25590/25522/Q SKF462/453X SKF61988MA SKF71919C/DT SKFCR32X48X8HMSA10RG SKFFYC60TF SKFGEC320TXA-2RS SKFPWM809080 SKFQJ213 SKFSDAFS22522 SKFSDAF23276KAx13.15/16 SKFSYNT80FTF

KMT36轴承附件近似的SKF轴承型号

SKFHA3036x6.3/16 SKFW036 SKFHA3136L SKFH3036 SKFHE3036 SKFW36 SKFSNW3036x6.3/8 SKFHE2336 SKFSNW36x6.1/2 SKFSNW3036x6.5/16 SKFKMT34 SKFKMT38

用户关注最多的轴承狗热门型号

INA  PAS15250-P10 SKF  PCMW223801.5M FAG  BND3260-H-C-Y-BL-S SKF  FSYE2.15/16H-18 MAC  NUP211 SKF  CR17144 KOYO  NJ420+HJ420 国产  6018-RS/Z2 FAG  BND2276-H-W-T-BL-S BARDEN  7209AC TIMKEN  1203KL ASAHI  UEL205 NSK  7312BWDF LYC  292/530 INA  SL014840

版权所有©2009-2015 轴承狗zcgou.com ICP备案:津ICP备14004550号-13