

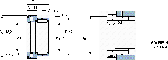
| 组合式滚针轴承, 滚针/圆柱滚子推力轴承 | ||||||||||||||
| 主要数据尺寸 | 基本负荷额定值 | 疲劳负荷限值 | 最小负荷系数 | 额定速度 | 体积 | 型号 | ||||||||
| 径向 | 轴向 | 参照速度 | 限制速度 | |||||||||||
| 动态 | 静态 | 动态 | 静态 | 径向 | 轴向 | |||||||||
| Fw | D | C | C | C0 | C | C0 | Pu | Pu | A | |||||
| mm | kN | kN | - | r/min | kg | - | ||||||||
| 30 | 42 | 30 | 22,9 | 39 | 27 | 78 | 4,8 | 7,65 | 0,00049 | 3000 | 6000 | 0,14 | NKXR 30 Z | |
版权所有©2009-2015 轴承狗zcgou.com ICP备案:津ICP备14004550号-13