

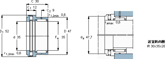
| 组合式滚针轴承, 滚针/圆柱滚子推力轴承 | ||||||||||||||
| 主要数据尺寸 | 基本负荷额定值 | 疲劳负荷限值 | 最小负荷系数 | 额定速度 | 体积 | 型号 | ||||||||
| 径向 | 轴向 | 参照速度 | 限制速度 | |||||||||||
| 动态 | 静态 | 动态 | 静态 | 径向 | 轴向 | |||||||||
| Fw | D | C | C | C0 | C | C0 | Pu | Pu | A | |||||
| mm | kN | kN | - | r/min | kg | - | ||||||||
| 35 | 47 | 30 | 24,6 | 45 | 29 | 93 | 5,6 | 9,15 | 0,00069 | 2800 | 5600 | 0,16 | NKXR 35 | |
版权所有©2009-2015 轴承狗zcgou.com ICP备案:津ICP备14004550号-13