
SKFNKX30Z轴承详细参数
发布时间:2026-05-19
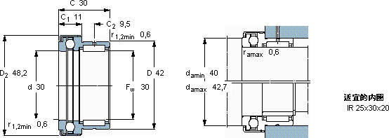
| | | | | | | | | | | | | | |
| 组合式滚针轴承, 滚针/推力球轴承 |
 |
| 主要数据尺寸 | 基本负荷额定值 | 疲劳负荷限值 | 最小负荷系数 | 额定速度 | 体积 | 型号 |
| | 径向 | 轴向 | | | 参照速度 | 限制速度 |
| | 动态 | 静态 | 动态 | 静态 | 径向 | 轴向 | | | |
| Fw | D | C | C | C0 | C | C0 | Pu | Pu | A |
 |
| mm | kN | kN | - | r/min | kg | - |
 |
| 30 | 42 | 30 | 22,9 | 39 | 20,3 | 45,5 | 4,8 | 1,7 | 0,01 | 6000 | 5000 | 0,15 | NKX 30 Z |
SKFNKX30Z组合滚针轴承供应商
- 八零动力专业销售NKX30Z组合滚针轴承,库存SKFNKX30Z大量现货,与SKF合作,咨询热线:022-58519723

- SKFNKX30Z轴承的稳定性和可靠性表现卓越,赢得了广泛赞誉轴承的耐用性极佳,能够承受高强度的工作负荷设计独特、性能优越的轴承,满足了不同用户的需求让您的设备高效运行,它的耐高温性能,减少了冷却系统的能耗 它的加工设备,代表了世界领先水平 ,八零动力SKF组合滚针轴承品种全,价格优,质量有保证!
用户关注最多的SKF轴承型号
SKF22324-2CS5K/VT143*
SKF32217J2/QDF
SKF6005-2ZNR*
SKF53178/53377/Q
SKF71900ACD/HCP4A
SKFBC2-8010
SKFBEAM035090-2Z
SKFCR32x62x6.35CRW1R
SKFCR55X85X10HMSA10V
SKFNCF1852V
SKFNJ221ECP
SKFNNU4092KM/W33
SKFNU2203E
SKFSNW3124x4.3/16
SKFWEEX003-2Z