SKFN222ECP*轴承详细参数

发布时间:2026-04-15
圆柱滚子轴承, 单列, N 设计
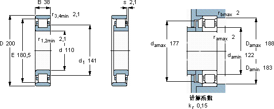
主要数据尺寸 基本负荷额定值 疲劳负荷限值 额定速度 体积 型号 适宜的斜挡圈
动态 静态 参照速度 限制速度 型号
d D B C C0 Pu * - SKF Explorer 轴承
mm kN kN r/min kg - -
1102003833536542,5360040004,80N 222 ECP *-

SKFN222ECP*圆柱滚子轴承供应商

八零动力专业销售N222ECP*圆柱滚子轴承,库存SKFN222ECP*大量现货,与SKF合作,咨询热线:022-58519723业务咨询
SKFN222ECP*先进的制造技术和严格的质量控制,造就了这款优质轴承它的高效率,减少了能源消耗 它的多样化应用,展现了它的无限可能 设计独特、性能优越的轴承,满足了不同用户的需求其设计和制造都达到了极高的水准,是一款不可多得的轴承先进的生产工艺,打造出了这款性能卓越的轴承,八零动力SKF圆柱滚子轴承品种全,价格优,质量有保证!

用户关注最多的SKF轴承型号

SKF241/900ECAF/W33 SKF61819-2RZ SKF6326/C3VL2071 SKF7211ACD/HCP4A SKFCR1094110 SKFCR524909 SKFCR85577 SKFICOS-D1B02-TN9* SKFN1013KTNHA/SP SKFOH3260H SKFPCM252820M SKFPCMW142601.5M SKFPFD1.1/4RM SKFSYE3.7/16H-3 SKFSYK35TF

N222ECP*圆柱滚子轴承近似的SKF轴承型号

SKFNJ2222E SKFNUP2226ECP SKFNUP2220E SKFNU2228E SKFNUP2220ECP* SKFNJ222ECP* SKFNU2220ECJ* SKFNUP2224E SKFNJ2220ECJ* SKFNCF2224V SKFN222ECM* SKFN224E

用户关注最多的轴承狗热门型号

SKF  NCF3030CV RHP  NF317 LYC  7306 AC LYC  24122 C/S0YA INA  RMWE15-RB/159x../110 NSK  23992CAE4 SKF  NJ2214E+HJ2214E SKF  C3044K/HA3C4* FYH  UCFU310 FAG  SNV090-L + 2308-K-TVH-C3 + H2308X105 + DHV608X105 KOYO  7317AC/DF FAG  BND3038-H-W-T-AL-S NACHI  2918 TIMKEN  EE171000D/171450/Y2S-171450 IKO  TA1420Z

版权所有©2009-2015 轴承狗zcgou.com ICP备案:津ICP备14004550号-13