SKFNUP2228ECML*轴承详细参数

发布时间:2026-05-30
圆柱滚子轴承, 单列, NUP 设计
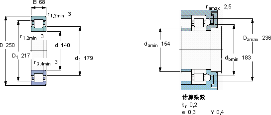
主要数据尺寸 基本负荷额定值 疲劳负荷限值 额定速度 体积 型号 适宜的斜挡圈
动态 静态 参照速度 限制速度 型号
d D B C C0 Pu * - SKF Explorer 轴承
mm kN kN r/min kg - -
14025068655830932800480015,6NUP 2228 ECML *-

SKFNUP2228ECML*圆柱滚子轴承供应商

八零动力专业销售NUP2228ECML*圆柱滚子轴承,库存SKFNUP2228ECML*大量现货,与SKF合作,咨询热线:022-58519723业务咨询
SKFNUP2228ECML*它的轴向跳动控制,确保了机械的平稳运行 它的抗疲劳性能,确保了长期使用的可靠性 它的质量卓越,为机械设备的安全运行保驾护航它的质量可靠,是众多机械设备制造商的首选配件它的质量过硬,为机械设备的高效、安全运行提供了保障设计合理、性能优良的它,是机械设备实现高效运行的重要保障,八零动力SKF圆柱滚子轴承品种全,价格优,质量有保证!

用户关注最多的SKF轴承型号

SKF23052CCK/W33+OH3052H* SKF230/670CAK/W33+AOH30/670* SKF61919 SKF6312* SKF7084AM SKF7207ACD/HCP4A SKF7314BECBP SKFC3188KMB* SKFCR13598 SKFCR37X50X6HMS5V SKFCR55x80x13CRSA1R SKFFBSA206/QFC SKFJM515649/610/Q SKFSYH2.RM SKFSYR1.15/16H-18

NUP2228ECML*圆柱滚子轴承近似的SKF轴承型号

SKFNJ2228E SKFNUP2228E SKFNCF2228V SKFNU2228E SKFNU2228ECML* SKFNUP2228ECML SKFNJ2228ECML SKFNJ2228E+HJ2228E SKFNUP2228ECML* SKFNU2228ECML SKFNUP2228ECML SKFNUP222E

用户关注最多的轴承狗热门型号

SKF  GS81109 NACHI  NP244 ASK  NJ420 LYC  22326 CA/C2 SKF  HK4516 国产  639/5-2Z MRC  7210B SKF  CR17277 SKF  BS2-2226-2CS5/VT143* FAG  F506-B-L + 20206-K-TVP-C3 SYEYR  NU2309E LYC  6306 E-Z 国产  RNA499A MRC  71903C/DT IKO  BR162416U

版权所有©2009-2015 轴承狗zcgou.com ICP备案:津ICP备14004550号-13