SKFBCSB322213CA轴承详细参数

发布时间:2026-05-03
圆柱滚子轴承, 剖分式单列
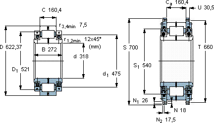
主要数据尺寸 基本负荷额定值 疲劳负荷限值 径向内部游隙 体积 型号
动态 静态
d D B C C C0 Pu 最小 最大
mm kN kN mm kg -
318622,37272160,4292044003600,1450,225515BCSB 322213 CA

SKFBCSB322213CA圆柱滚子轴承供应商

八零动力专业销售BCSB322213CA圆柱滚子轴承,库存SKFBCSB322213CA大量现货,与SKF合作,咨询热线:022-58519723业务咨询
SKFBCSB322213CA优秀的设计理念和精湛的制造工艺,成就了这款优秀的轴承这轴承的设计简直精妙绝伦,每一处细节都彰显着极致的工艺美学设计独特的轴承,不仅性能优越,还具有很高的性价比先进的制造工艺,让这款轴承的性能更加稳定可靠每一次转动都是精准与力量的完美呈现,它的几何精度,让机械运转分毫不差 ,八零动力SKF圆柱滚子轴承品种全,价格优,质量有保证!

用户关注最多的SKF轴承型号

SKF208 SKF22240CCK/W33+AH2240* SKF22314E/VA405* SKF6311-2Z/VA208 SKF7313BECBP SKFCR1024690 SKFCR26128 SKFCR8761 SKFH3126L SKFHMVC10E SKFNJ2205ECP SKFNJ226E SKFQJ205MA SKFS7007CD/HCP4A SKFSY2.3/16TF/VA228

BCSB322213CA圆柱滚子轴承近似的SKF轴承型号

SKFBCSB322213CD SKFBCSB322213CC SKFBCSB322213CA SKFBCSB320861 SKFBCSB322213CC

用户关注最多的轴承狗热门型号

NACHI  29288E SKF  NU332ECM FAG  B7209-E-2RSD-T-P4S FAG  24192-B-K30-MB + AH24192 LYC  6900-2Z LYC  22252 K/W33 NSK  629DD FAG  SNV090-L + 1210-K-TVH-C3 + H210X112 + TCV510 LYC  32317/P5 TORRINGTON FAFNIR  7319B TORRINGTON  21305CCK NTN  22308CK+H2308X SKF  1206K SKF  AN20 Stieber  CSK25PP

版权所有©2009-2015 轴承狗zcgou.com ICP备案:津ICP备14004550号-13