SKFN214ECP*轴承详细参数

发布时间:2026-04-15
圆柱滚子轴承, 单列, N 设计
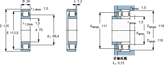
主要数据尺寸 基本负荷额定值 疲劳负荷限值 额定速度 体积 型号 适宜的斜挡圈
动态 静态 参照速度 限制速度 型号
d D B C C0 Pu * - SKF Explorer 轴承
mm kN kN r/min kg - -
701252413713718600063001,15N 214 ECP *-

SKFN214ECP*圆柱滚子轴承供应商

八零动力专业销售N214ECP*圆柱滚子轴承,库存SKFN214ECP*大量现货,与SKF合作,咨询热线:022-58519723业务咨询
SKFN214ECP*卓越的性能和可靠的质量,让这款轴承成为市场的宠儿它的精密测量技术,确保了每一件产品的品质 轴承的耐用性极佳,为设备的长期稳定运行提供了保障稳定旋转的核心力量它的轴向游隙控制,精准到令人惊叹 它的圆度误差几乎可以忽略不计 ,八零动力SKF圆柱滚子轴承品种全,价格优,质量有保证!

用户关注最多的SKF轴承型号

SKF32052T189X/DBC280 SKF51238 SKF54309U SKF618/850MA SKF6212-ZNR* SKF709CD/HCP4A SKF71915C/DF SKFCR17456 SKFFYRP3.1/2-3 SKFMBL30 SKFNNU6032M SKFPF1.1/8WF SKFPWM202430 SKFRNA2207.2RS SKFSAA80TXE-2LS

N214ECP*圆柱滚子轴承近似的SKF轴承型号

SKFNJ214ECM* SKFNUP2214ECNM* SKFNUP214ECM* SKFNU214ECML* SKFNJ214E+HJ214E SKFNJ2214ECP* SKFNU2214ECP* SKFNJ2214ECP SKFN214ECP* SKFNJ214ECML* SKFN214ECP SKFN215E

用户关注最多的轴承狗热门型号

STEYR  7211B/DB KOYO  60/28-Z RHP  7204C/DF NACHI  6019 NACHI  NUP312EG TORRINGTON FAFNIR  6001-2RS 国产  NN3980K/YA1 SKF  23136CCK/W33+AH3136G* NSK  NUP2313W SKF  PF7/8TF SKF  SYNT50LTF TIMKEN  90BIC401 SKF  NNCF5007CV IKO  RNAF759530 IKO  CF10VUUR

版权所有©2009-2015 轴承狗zcgou.com ICP备案:津ICP备14004550号-13