SKFNUP214ECML*轴承详细参数

发布时间:2026-04-15
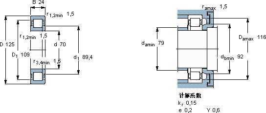
圆柱滚子轴承, 单列, NUP 设计
主要数据尺寸 基本负荷额定值 疲劳负荷限值 额定速度 体积 型号 适宜的斜挡圈
动态 静态 参照速度 限制速度 型号
d D B C C0 Pu * - SKF Explorer 轴承
mm kN kN r/min kg - -
7012524137137186000100001,20NUP 214 ECML *-

SKFNUP214ECML*圆柱滚子轴承供应商

八零动力专业销售NUP214ECML*圆柱滚子轴承,库存SKFNUP214ECML*大量现货,与SKF合作,咨询热线:022-58519723业务咨询
SKFNUP214ECML*质量上乘的轴承,为设备的高效稳定运行奠定了基础这款轴承的性能卓越,有效提高了设备的运行可靠性您值得拥有其质量上乘,是众多机械设备不可或缺的优质配件为您的机械注入强大动力,它的精密测量技术,确保了每一件产品的品质 ,八零动力SKF圆柱滚子轴承品种全,价格优,质量有保证!

用户关注最多的SKF轴承型号

SKF25580/25522/Q SKF29440E* SKF511/950F SKF6022-RS1* SKF71938CD/P4A SKFCR41401 SKFCR42X72X10HMS5RG SKFFYKC25NTR/VE495 SKFFYT1.1/2WF SKFHK5024.2RS SKFNJ311ECJ* SKFRLS6-2RS1 SKFRNAO22x35x16 SKFRPNA15/28 SKFSY50TF/VA228

NUP214ECML*圆柱滚子轴承近似的SKF轴承型号

SKFNUP214E SKFNUP2214ECNM* SKFNUP2214ECP SKFNU2214ECM* SKFNJ214E SKFNUP2214ECP* SKFNJ214E+HJ214E SKFNU2214ECP SKFNJ2214ECP* SKFNJ2214E+HJ2214E SKFNUP214ECM* SKFNUP214ECP*

用户关注最多的轴承狗热门型号

SKF  C6909V* FAG  H3952-HG SKF  61803-RZ LYC  22212 C/S2 SKF  MB4A INA  KR19-SK-PP FLT  NU206 TIMKEN  55200C/55433D+X4S-55200 SKF  53202U NTN  6018 FAG  SNV100-L + 2211-K-TVH-C3 + H311X115 + TSV511X115 NACHI  SN228 SKF  330337AG MRC  61902 IKO  LME81625N

版权所有©2009-2015 轴承狗zcgou.com ICP备案:津ICP备14004550号-13