SKFNUP214ECP*轴承详细参数

发布时间:2026-05-30
圆柱滚子轴承, 单列, NUP 设计
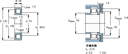
主要数据尺寸 基本负荷额定值 疲劳负荷限值 额定速度 体积 型号 适宜的斜挡圈
动态 静态 参照速度 限制速度 型号
d D B C C0 Pu * - SKF Explorer 轴承
mm kN kN r/min kg - -
701252413713718600063001,20NUP 214 ECP *-

SKFNUP214ECP*圆柱滚子轴承供应商

八零动力专业销售NUP214ECP*圆柱滚子轴承,库存SKFNUP214ECP*大量现货,与SKF合作,咨询热线:022-58519723业务咨询
SKFNUP214ECP*它的加工精度,确保了机械运转的稳定性 优秀的设计让这款轴承在运行时更加高效节能它的抗氧化性能,延长了它的使用寿命 设计合理、性能优良的它,是机械设备稳定运行的重要保障其设计和制造都达到了极高的水准,是一款不可多得的轴承畅享稳定顺滑的旋转之旅,,八零动力SKF圆柱滚子轴承品种全,价格优,质量有保证!

用户关注最多的SKF轴承型号

SKF21319CC SKF22218CCK/W33+H318 SKF294/530 SKF30218J2/DF SKF71832ACD/P4 SKF7219BEP SKF81238 SKFCR17X34X7.9CRSA1P SKFHM89499/2/410/QCL7C SKFK30x35x13 SKFNJ228E+HJ228E SKFNN3060K/SPW33 SKFNU20/500ECMA SKFRN-2.5x19.8BF/G2 SKFSNL3188GF

NUP214ECP*圆柱滚子轴承近似的SKF轴承型号

SKFNU214ECML* SKFNU214ECM* SKFBC4B322143/HB3 SKFNUP2214ECP SKFNUP2214ECNM* SKFNUP214ECM* SKFNUP214E SKFNUP214ECP SKFNU214ECP* SKFNUP2214E SKFNUP214ECML* SKFNUP215E

用户关注最多的轴承狗热门型号

SKF  FBSA212A/QFC 国产  61913-2Z LYC  618/1400 M/P63 FYH  UELFU204 MRC  6018-2Z SKF  PCZ4032M 国产  60/28-ZN NTN  23244CC/W33 SKF  7201C/DB NACHI  05075/05185 SKF  NA6915 NTN  NU1084 NSK  N1006 SKF  BT4B328909G/HA1VA901 TORRINGTON  22210CC/W33

版权所有©2009-2015 轴承狗zcgou.com ICP备案:津ICP备14004550号-13