SKFKMTA9轴承详细参数

发布时间:2026-04-14
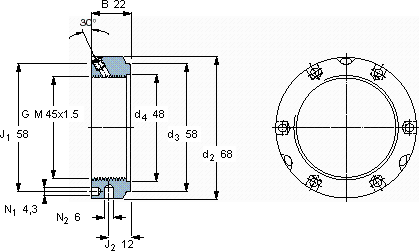
带锁紧销的KMTA精密锁紧定螺母
螺纹尺寸 尺寸 轴向负荷 体积 型号 平头螺钉
承载能力 锁定螺母 适宜的板手 尺寸 推荐的紧固扭矩
d3 B G 静态
- mm - kN kg --- Nm
455822M 45x1.52400,33KMTA 9B 68-75M 68

SKFKMTA9轴承附件供应商

八零动力专业销售KMTA9轴承附件,库存SKFKMTA9大量现货,与SKF合作,咨询热线:022-58519723业务咨询
SKFKMTA9它在机器人领域的应用,展现了它的高精密性 轴承的精度和稳定性都达到了行业顶尖水平该轴承的性能优越,极大地提高了设备的工作效率先进的制造技术,让这款轴承的质量达到了行业领先水平轴承的精度极高,使得设备的运行误差被控制在极小范围内该轴承的性能出色,有效提升了机械设备的整体性能,八零动力SKF轴承附件品种全,价格优,质量有保证!

用户关注最多的SKF轴承型号

SKF22314E/VA405 SKF2322K SKF232/750CAF/W33 SKF2x7411BGM SKF591/530F SKF7018C/DF SKF71820CD/P4A SKFBTW160CM/SP SKFCR22590 SKFCR250X280X15HMSA10V SKFCR524371 SKFIR15x18x16 SKFNJ202E SKFNU2222ECJ* SKFSAW23538X6.13/16

KMTA9轴承附件近似的SKF轴承型号

SKFSNW3024x4.1/4 SKFN06 SKFH3128L SKFH2306 SKFOH3148HTL SKFH312E SKFKMT13 SKFSNP3256x10.7/16 SKFSNP3284x15.3/4 SKFSNW34x5.15/16 SKFKMTA8 SKFKR16

用户关注最多的轴承狗热门型号

KOYO  NU2315 FAG  SNV100-L + 22211-E1-K + H311X115 + DH511 SKF  CR22441 INA  SCE57-PP TIMKEN  K48X54X19H.ZB2 SKF  22332CCJA/W33VA405 INA  KUVE45-B TORRINGTON&FAFNIR  3308A LYC  31324/DFYB/C3 LYC  6015-Z FAG  SNV120-L + 20213-K-TVP-C3 + H213X203 + DHV513X203 NACHI  NU204 LYC  6212 E/Z2 SKF  PCZ9660B SKF  WS81236

版权所有©2009-2015 轴承狗zcgou.com ICP备案:津ICP备14004550号-13