SKFKMTA8轴承详细参数

发布时间:2026-05-29
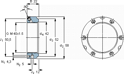
带锁紧销的KMTA精密锁紧定螺母
螺纹尺寸 尺寸 轴向负荷 体积 型号 平头螺钉
承载能力 锁定螺母 适宜的板手 尺寸 推荐的紧固扭矩
d3 B G 静态
- mm - kN kg --- Nm
405222M 40x1.52100,23KMTA 8B 58-62M 68

SKFKMTA8轴承附件供应商

八零动力专业销售KMTA8轴承附件,库存SKFKMTA8大量现货,与SKF合作,咨询热线:022-58519723业务咨询
SKFKMTA8它的可靠性,赢得了无数工程师的信任 以卓越品质该轴承的性能卓越,完全满足了各种严苛工况的需求高精度的制造工艺,让这款轴承的性能更加出色设计合理、性能优良的它,是机械设备实现高效运行的重要保障是您机械世界里的不败功臣,,八零动力SKF轴承附件品种全,价格优,质量有保证!

用户关注最多的SKF轴承型号

SKF2221K SKF6205/VA201 SKF6307-2Z/VA208 SKF708CD/P4A SKFBTM110A/P4CDBB SKFCR20X35X7HMSA10V SKFCR40X62X6HMSA10V SKFCR62x85x8CRW1R SKFCR850x925x27HDS1R SKFCR75x95x10CRW1R SKFNNF5030ADA-2LSV SKFNU214ECJ* SKFPL64 SKFPWM9010560 SKFS71920ACD/HCP4A

KMTA8轴承附件近似的SKF轴承型号

SKFSNW3126x4.7/16 SKFMB33 SKFMB18 SKFHA2317x2.7/8 SKFHMV100E SKFHMV10E SKFAN16 SKFW02 SKFW022 SKFSNW9x1.1/2 SKFKMTA7 SKFKMTA9

用户关注最多的轴承狗热门型号

INA  RWS1808-225/x225/x46 INA  SL045016-PP NTN  6232 NTN  7912CDT TIMKEN  SAF22630 MAC  NU2328 FAG  HS71928-E-T-P4S TIMKEN  36686/36620D/X1S-48685 SKF  CR13865 SKF  PCM303430B SKF  CR36X62X7HMSA10V NACHI  621/612 FAG  BND3184-H-W-T-BL-S SKF  LM567949/910/HA1 IKO  KT6910

版权所有©2009-2015 轴承狗zcgou.com ICP备案:津ICP备14004550号-13