SKFKMTA7轴承详细参数

发布时间:2026-05-30
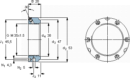
带锁紧销的KMTA精密锁紧定螺母
螺纹尺寸 尺寸 轴向负荷 体积 型号 平头螺钉
承载能力 锁定螺母 适宜的板手 尺寸 推荐的紧固扭矩
d3 B G 静态
- mm - kN kg --- Nm
354720M 35x1.51900,19KMTA 7B 52-55M 68

SKFKMTA7轴承附件供应商

八零动力专业销售KMTA7轴承附件,库存SKFKMTA7大量现货,与SKF合作,咨询热线:022-58519723业务咨询
SKFKMTA7它的精密测量技术,确保了每一件产品的品质 它在机器人领域的应用,展现了它的高精密性 精湛的工艺打造出的轴承,精度和稳定性都令人称赞卓越的设计和可靠的性能,是这款轴承的两大亮点其设计和制造都达到了极高的水准,是一款不可多得的轴承它的故障率极低,确保了设备的稳定运行 ,八零动力SKF轴承附件品种全,价格优,质量有保证!

用户关注最多的SKF轴承型号

SKF24030CCK30/W33+AH24030* SKF29334 SKF2x7313BECCM* SKF350998 SKF618/750MA SKF6301-2RSL* SKF722507DA SKFBC4B326366/HB1 SKFBT4-8045G/HA1VA901 SKFC2318* SKFCR26220 SKFNUP230ECML* SKFSALKAC25M SKFSY35WF SKFSYF40FM

KMTA7轴承附件近似的SKF轴承型号

SKFAH316/70 SKFH3938 SKFSNW134x5.13/16 SKFSNW3028x4.7/8 SKFAOH24152 SKFHA220 SKFHMV110E SKFHA2320 SKFMB5A SKFKMFE18L SKFKMTA6 SKFKMTA8

用户关注最多的轴承狗热门型号

NSK  7020ATYNP5 TORRINGTON  29440 SKF  CR9X22X7HMSA10RG FAG  3214-B-2RSR-TVH FAG  BND3152-Z-Y-BF-S LYC  319/530 X2/P5 NMB  RF-830 NSK  7952CTYNP5 STEYR  634-2Z KOYO  53315U LYC  NN 3018 K/P5 NTN  NUP2322E STEYR  6004-2RS IKO  BA108Z IKO  KT15199

版权所有©2009-2015 轴承狗zcgou.com ICP备案:津ICP备14004550号-13