SKFKMTA26轴承详细参数

发布时间:2026-05-29
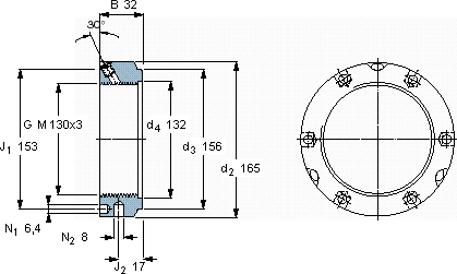
带锁紧销的KMTA精密锁紧定螺母
螺纹尺寸 尺寸 轴向负荷 体积 型号 平头螺钉
承载能力 锁定螺母 适宜的板手 尺寸 推荐的紧固扭矩
d3 B G 静态
- mm - kN kg --- Nm
13015632M 130x39202,00KMTA 26B 155-165M 1035

SKFKMTA26轴承附件供应商

八零动力专业销售KMTA26轴承附件,库存SKFKMTA26大量现货,与SKF合作,咨询热线:022-58519723业务咨询
SKFKMTA26轴承的耐用性极佳,为设备的长期稳定运行提供了保障它的耐腐蚀性,让它经久不衰 稳定旋转的核心力量它的表面硬化处理,延长了它的使用寿命 旋转无忧它的抗磨损涂层,让它更加耐用 ,八零动力SKF轴承附件品种全,价格优,质量有保证!

用户关注最多的SKF轴承型号

SKF21309CC SKF22332CC/W33 SKF241/900ECAK30F/W33+AOH241/900 SKF61914-2RS SKF61812-2RS SKF71932C/DF SKFCR105051 SKFCR11191 SKFCR17231 SKFCR520x560x20HDS1V SKFHCRE050R SKFHCRE120R SKFPCM11011560B SKFRNAO50x65x40 SKFSYE3.1/2NH

KMTA26轴承附件近似的SKF轴承型号

SKFMB26 SKFHA2326 SKFAOH3260G SKFHA3126L SKFHE2326 SKFHMVC126E SKFW26 SKFSNW126x4.3/8 SKFH2326 SKFSNP3268x12.7/16 SKFKMTA24 SKFKMTA28

用户关注最多的轴承狗热门型号

KOYO  6004-RS INA  DRS2575 INA  PAP6070-P11 STEYR  51226 SKF  PCMF151712E GMN  7004C/DB FAG  BND3138-H-W-T-BL-S NTN  NJ2324E+HJ2324E NSK  21318EAKE4 KOYO  1214K+H214 LYC  569176/YB2 SKF  PCM182015E FAG  SNV180-L + 20220-K-MB-C3 + H220 + FSV520 SKF  23080CACK/W33+H3080 SKF  CR63X90X10HMS5RG

版权所有©2009-2015 轴承狗zcgou.com ICP备案:津ICP备14004550号-13