SKFKMTA28轴承详细参数

发布时间:2026-05-30
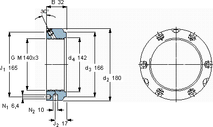
带锁紧销的KMTA精密锁紧定螺母
螺纹尺寸 尺寸 轴向负荷 体积 型号 平头螺钉
承载能力 锁定螺母 适宜的板手 尺寸 推荐的紧固扭矩
d3 B G 静态
- mm - kN kg --- Nm
14016632M 140x39802,45KMTA 28B 180-195M 1035

SKFKMTA28轴承附件供应商

八零动力专业销售KMTA28轴承附件,库存SKFKMTA28大量现货,与SKF合作,咨询热线:022-58519723业务咨询
SKFKMTA28这轴承的质量过硬,经得起时间和高强度工作的考验它的润滑技术,减少了摩擦和磨损 它在汽车工业中的应用,让车辆运行更加平稳 它的润滑技术,减少了润滑剂的使用 高品质的轴承,在各种复杂环境下都能稳定发挥作用它的热处理工艺,增强了它的硬度和韧性 ,八零动力SKF轴承附件品种全,价格优,质量有保证!

用户关注最多的SKF轴承型号

SKF23988CCK/W33* SKF23988CC/W33 SKF566/563/Q SKF6000-2RZ SKF7036C/DF SKF71915C/DF SKF71924FB/P7 SKF7200BECBP SKFBVNB328441/HA1 SKFCR26238 SKFCR48X72X10CRS1R SKFCR90027 SKFNJ406MA SKFOKCX210 SKFSYR2.7/16H

KMTA28轴承附件近似的SKF轴承型号

SKFAHX3028 SKFAH24128 SKFHE3128L SKFSNW28x4.7/8 SKFKMTA28 SKFAN28 SKFSNW28x5 SKFOH3284H SKFW28 SKFKMT28 SKFKMTA26 SKFKMTA30

用户关注最多的轴承狗热门型号

SNR  7009AC/DB KOYO  NJ422+HJ422 FAG  SD564-N-FZ-AL-L + 22264-K-MB SKF  SNP3064x11.15/16 FAG  NN3015-AS-K-M-SP FAG  AH3132A-H FAG  20206-K-TVP-C3 LYC  2787/1052G2 SNR  30314 LYC  UC 207 SKF  61802-RS SKF  SNL3038G FAG  BND2244-Z-Y-AF-S SKF  CR186x226x16HS8R FAG  BND3234-H-C-Y-BL-S

版权所有©2009-2015 轴承狗zcgou.com ICP备案:津ICP备14004550号-13