SKFKMTA24轴承详细参数

发布时间:2026-04-14
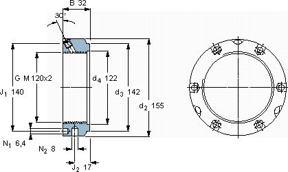
带锁紧销的KMTA精密锁紧定螺母
螺纹尺寸 尺寸 轴向负荷 体积 型号 平头螺钉
承载能力 锁定螺母 适宜的板手 尺寸 推荐的紧固扭矩
d3 B G 静态
- mm - kN kg --- Nm
12014232M 120x28601,85KMTA 24B 155-165M 1035

SKFKMTA24轴承附件供应商

八零动力专业销售KMTA24轴承附件,库存SKFKMTA24大量现货,与SKF合作,咨询热线:022-58519723业务咨询
SKFKMTA24优秀的设计理念和精湛的制造工艺,成就了这款优秀的轴承轴承的耐用性超乎想象,有效降低了设备的维护成本它的抗氧化性能,延长了它的使用寿命 轴承的性能可靠,为机械设备的稳定运行立下汗马功劳它的精密性,让它在高精度设备中无可替代 您值得拥有,八零动力SKF轴承附件品种全,价格优,质量有保证!

用户关注最多的SKF轴承型号

SKF24088CAC/W33 SKFC2211KV+H311E* SKFCR19017 SKFCR28X42X7HMSA10V SKFCR33711 SKFCR99596 SKFHCCE025R SKFNATR5 SKFNUP328ECM* SKFRNU2205ECP* SKFRNU2307ECP* SKFSC71915FB/P7 SKFSDAF23160KAx10.15/16 SKFSY20TR SKFSYR2.11/16-3

KMTA24轴承附件近似的SKF轴承型号

SKFAOH24164 SKFSNW3124x4.1/4 SKFAOH240/500 SKFAOH24160 SKFH2324 SKFAOH24076 SKFAOH24144 SKFH3024E SKFAH24124 SKFHA3024 SKFKMTA22 SKFKMTA26

用户关注最多的轴承狗热门型号

FAG  SNV080-L + 20208-K-TVP-C3 + H208 + TCV508 TIMKEN  40RIJ130 FAG  23032-E1A-K-M + H3032 国产  2316K DKF  7307B/DT GMN  7221AC/DB SKF  NUP213E SKF  7222BEM NTN  1317K+H317 STEYR  NJ2216E STEYR  32311 TIMKEN  53176/53398 SKF  7207CD/HCP4A IKO  CFE24-1UUR IKO  LME406280NUU

版权所有©2009-2015 轴承狗zcgou.com ICP备案:津ICP备14004550号-13